如右图,水平桌面上放置一根条形磁铁,磁铁中央正上方用绝缘弹簧悬挂一水平直导线,并与磁铁垂直。当直导线中通入图中所示方向的电流时,可以判断出( )。![]()
| A.弹簧的拉力增大,条形磁铁对桌面的压力减小 |
| B.弹簧的拉力减小,条形磁铁对桌面的压力减小 |
| C.弹簧的拉力增大,条形磁铁对桌面的压力增大 |
| D.弹簧的拉力减小,条形磁铁对桌面的压力增大 |
如图所示,两个端面半径同为R的圆柱形铁芯同轴水平放置,相对的端面之间有一缝隙,铁芯上绕导线并与电源连接,在缝隙中形成一匀强磁场。一铜质细直棒ab水平置于缝隙中,且与圆柱轴线等高、垂直。让铜棒从静止开始自由下落,铜棒下落距离为0.2R时铜棒中电动势大小为,下落距离为0.8R时电
动势大小为E。忽略涡流损耗和边缘效应。关于
、
的大小和铜棒离开磁场前两端的极性,下列判断正确的是![]()
| A. | B. |
| C. | D. |
(理)、如图所示,直导线处于足够大的匀强磁场中,与磁感线成θ=30°角,导线中通过的电流为I,为了增大导线所受的磁场力,可采取下列四种办法,其中正确的是![]()
| A.减小电流I |
| B.减小直导线的长度 |
| C.使导线在纸面内顺时针转30° |
| D.使导线在纸面内 |
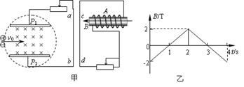
等离子气流由左方连续以v0射入P1和P2两板间的匀强磁场中,ab直导线与P1、P2相连接,线圈A与直导线cd连接。线圈A
内有随
图乙所示的变化磁场,且磁场B的正方向规定为向左,如图甲所示,则下列叙述正确的是( )![]()
| A.0~1s内ab、cd导线互相排斥 | B.1~2s内ab、cd导线互相吸引 |
| C.2~3s内ab、cd导线互相吸引 | D.3~4s内ab、cd导线互相吸引 |
如图所示,在倾角为α的光滑斜面上,垂直斜面放置一根长为L、质量为m的直导线。当通以
和方向应是( )
| A.B=mgsinα/IL,方向垂直斜面向上 |
| B.B=mgsinα/IL,方向垂直斜面向下 |
| C.B=mgtgα/IL,方向垂直向下 |
| D.B=mg/IL,方向水平向右 |
如图2所示,将一阴极射线管置于一通电螺线管的正上方且在同一水平面内,则阴极射线将![]()
| A.向外偏转 |
| B.向里偏转 |
| C.向上偏转 |
| D.向下偏转 |
关于磁场对通电直导线作用力的大小,下列说法中正确的是( )
| A.通电直导线跟磁场方向平行时作用力最小,但不为零 |
| B.通电直导线跟磁场方向垂直时作用力最大 |
| C.作用力的大小跟导线与磁场方向的夹角大小无关 |
| D.通电直导线跟磁场方向不垂直时肯定无作用力 |
如下图所示,两根足够长的固定平行金属光滑导轨位于同一水平面上,导轨上横放着两根相同的导体棒
、
与导轨构成矩形回路。导体棒的两端连接着处于压缩状态的两根轻质弹簧,两棒的中间用细线绑住,电阻均为R,回路上其余部分的电阻不计。在导轨平面内两轨道间有一竖直向下的匀强磁场,开始时,导体棒处于静止状态,剪断细线后,导体棒在运动过程中![]()
| A.两根导体棒所受安培力的方向总是相反的 |
| B.两根导体棒所受安培力的方向总是不变的 |
| C.两根导体棒和弹簧构成的系统机械能不守恒 |
| D.两根导体棒和弹簧以及磁场构成的系统能量守恒,导体棒将不停地来回振动 |
图中的D为置于电磁铁两极间的一段通电直导线,电流方向垂直于纸面向里。在电键S接通后,导线D所受磁场力的方向是![]()
| A.向上 | B.向下 | C.向左 | D.向右 |