在街旁的路灯,江海里的航标都要求在夜晚亮,白天熄,利用半导体的电学特性制成了自动点亮、熄灭的装置,实行了自动控制,这是利用半导体的( )
| A.压敏性 | B.光敏性 |
| C.热敏性 | D.三种特性都利用 |
图为光敏电阻自动计数器的示意图,其中R1为光敏电阻,R2为定
值电阻。对该计数器的工作原理,以下说法正确的是 ( )
| A.当有光照射R1时,信号处理系统获得低电压; |
| B.当有光照射R1时,信号处理系统获得高电压; |
| C.信号处理系统每获得高电压就计数一次; |
| D.信号处理系统每获得低电压就计数一次 |
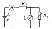
NTC热敏电阻器即负温度系数热敏电阻器,也就是指阻值随温度的升高而减小的电阻。负温度系数的热敏电阻R 2接入如图所示电路中,R1为定值电阻, L为小灯泡,当温度降低时(不考虑灯泡和定值电阻阻值随温度变化)( )
| A.小灯泡变亮 | B.小灯泡变暗 |
| C.R 1两端的电压增大 | D.电流表的示数增大 |
如图所示的光控电路用发光二极管LED模仿路灯,RG为光敏电阻.“
”是具有特殊功能的非门,当加在它的输入端 A的电压逐渐上升到某个值时,输出端Y会突然从高电平跳到低电平,而当输入端A的电压下降到另一个值时,Y会从低电平跳到高电平.在天暗时路灯(发光二极管)会点亮,下列说法中正确的是 ![]()
| A.天暗时Y处于高电平 |
| B.天暗时Y处于低电平 |
| C.当R1调大时A端的电压降低,灯(发光二极管)点亮 |
| D.当R1调大时A端的电压降低,灯(发光二极管)熄灭 |
下列说法中正确的是( )
| A.超导体就是材料很好的导体 | B.超导体就是在低温时电阻相当小的导体 |
| C.超导体就是在低温时电阻为零的导体 | D.超导体就是绝缘材料制成的导体 |
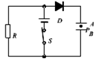
一个用半导体材料制成的电阻器D,其电流I随它两端电压U变化的关系如图中的(a)所示,将它与两个标准电阻R1、R2组成如图(b)所示电路,当电键S接通位置1时,三个用电器消耗的电功率均为P。将电键S切换到位置2后,电阻器D和电阻R1、R2消耗的电功率分别是PD、P1、P2,下列关系中正确的是![]()
| A.P1>P | B.P1>P2 | C.P1>4PD | D.PD+P1+P2>3P |
计算机光驱的主要部分是激光头,它可以发射脉冲激光信号,激光扫描光盘信息时,激光头利用光敏电阻自动计数器将反射回来的脉冲信号传输给信号处理系统,再通过计算机显示出相应信息。光敏电阻自动计数器的示意图如图所示,其中R1为光敏电阻(在光照下,电阻明显减少),R2为定值电阻,此光电计数器的基本工作原理是( )![]()
| A.当有光照射R1时,处理系统获得高电压 |
| B.当有光照射R1时,处理系统获得低电压 |
| C.信号处理系统每获得一次低电压就计数一次 |
| D.信号处理系统每获得一次高电压就计数一次 |