如图所示的电路中,闭合开关S,灯泡L1和L2均正常发光,由于某种原因灯L2灯丝突然烧断,其余用电器均不会损坏,则下列结论正确的是( )![]()
| A.电流表读数变大,电压表读数变小 |
| B.灯泡L1变亮 |
| C.电容器C上电荷量减小 |
| D.电源的的输出功率可能变大 |
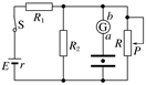
如图所示的电路中,电源电动势为E,内电阻为r,平行板电容器C的两金属板水平放置,R1和R2为定值电阻,P为滑动变阻器R的滑动触头,G为灵敏电流计,A为理想电流表。开关S闭合后,C的两板间恰好有一质量为m、电荷量为q的油滴处于静止状态,则以下说法正确的是( )![]()
| A.在P向上移动的过程中,A表的示数变大,油滴仍然静止,G中有方向由a至b的电流 |
| B.在P向上移动的过程中,A表的示数变小,油滴向上加速运动,G中有由b至a的电流 |
| C.在P向下移动的过程中,A表的示数变大,油滴向下加速运动,G中有由a至b的电流 |
| D.在P向下移动的过程中,A表的示数变小,油滴向上加速运动,G中有由b至a的电流 |
如图所示,平行板电容器与电动势为E的直流电源(内阻不计)连接,下极板接地。一带电油滴位于容器中的P点且恰好处于平衡状态。现将平行板电容器的上极板竖直向上移动一小段距离( )![]()
| A.带点油滴将沿竖直方向向上运动 |
| B.P点的电势将降低 |
| C.带点油滴的电势能将减少 |
| D.电容器的电容减小,两极板带电量增大 |
一平行板电容器C,极板是水平放置的,它与三个可变电阻及电源连接如图电路,有一个质量为m的带电油滴悬浮在电容器的两极板之间,静止不动.现要使油滴上升,可采用的办法是( )![]()
| A.增大R1 | B.增大R2 | C.增大R3 | D.减小R2 |
如图所示的电路,水平放置的平行板电容器中有一个带电液滴正好处于静止状态,现将滑动变阻器的滑片P向左移动,则( )![]()
| A.电容器中的电场强度将增大 |
| B.电容器上的电荷量将减少 |
| C.电容器的电容将减小 |
| D.液滴将向上运动 |
在如图所示电路中,R1、R2、R3均为可变电阻。当开关S闭合后,两平行金属板M、N间有一带电液滴正好处于静止状态,为使带电液滴向上做加速运动,可采取的措施是![]()
| A.增大R1 | B.减小R2 |
| C.减小R3 | D.增大M、N间距 |
两块大小、形状完全相同的金属平板平行放置,构成一平行板电容器,与它相连接的电路如图所示.接通开关S,电源即给电容器充电,下列说法中正确的是( )![]()
| A.保持S接通,减小两极板间的距离,则两极板间的电场强度减小 |
| B.保持S接通,在两极板间插入一块电介质,则极板上的电荷量增大 |
| C.断开S,减小两极板间的距离,则两极板间的电场强度减小 |
| D.断开S,在两极板间插入一块电介质,则两极板间的电势差增大 |
如图所示的电路中,电源有不可忽略的电阻,R1、R2、R3为三个可变电阻,电容器C1、C2所带电荷量分别为Q1和Q2,下面判断正确的是( )![]()
| A.仅将R1增大,Q1和Q2都将增大 |
| B.仅将R2增大,Q1和Q2都将减小 |
| C.仅将R3增大,Q1和Q2都将不变 |
| D.突然断开开关S,Q1和Q2都将不变 |
如图所示,电源电动势为E,内阻为r,平行板电容器两金属板水平放置,开关S是闭合的,两板间一质量为m、电荷量为q的油滴恰好处于静止状态,G为灵敏电流计.则以下说法正确的是( )![]()
| A.在将滑动变阻器滑片P向上移动的过程中,油滴向上加速运动, G中 有从b到a的电流 |
| B.在将滑动变阻器滑片P向下移动的过程中,油滴向下加速运动, G中 有从b到a的电流 |
| C.在将滑动变阻器滑片P向上移动过程中,油滴仍然静止,G中有从a到b的电流 |
| D.在将S断开后,油滴仍保持静止状态,G中无电流通过 |