如右图所示的电路中,电阻R1=10Ω,R3=5Ω,R4=10Ω,电容器电容C=2μF,电源电动势E=15V,内阻不计,要使电容器不带有电,变阻器R2的阻值应调为( )
| A.8Ω | B.16Ω | C.20Ω | D.40Ω |
在如图所示的电路中,电源的内电阻r不能忽略,其电动势E小于电容器C的耐压值。在开关S断开的情况下电路稳定后,闭合开关S,则在电路再次达到稳定的过程中,下列说法中正确的是 ( )![]()
| A.电阻R1两端的电压增大 |
| B.电容器C两端的电压增大 |
| C.电容器C上所带的电量增加 |
| D.电源两端的电压增大 |
如图所示,D是一只二极管,它的作用是只允许电流从a流向b,不允许电流从b流向a,平行板电容器AB内部原有电荷P处于静止状态,当两极板A和B的间距稍增大一些的瞬间(两极板仍平行),P的运动情况将是![]()
| A.仍静止不动 | B.向下运动 |
| C.向上运动 | D.无法判断 |
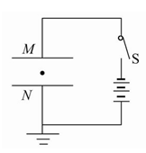
如图所示,在平行板电容器正中有一个带电微粒.S闭合时,该微粒恰好能保持静止.在以下两种情况下:①保持S闭合,②充电后将S断开.下列说法能实现使该带电微粒向上运动打到上极板的是( )![]()
| A.①情况下,可以通过上移极板M实现 |
| B.①情况下,可以通过上移极板N实现 |
| C.②情况下,可以通过上移极板M实现 |
| D.②情况下,可以通过上移极板N实现 |
如图所示,C为两极板水平放置的空气平行板电容器,闭合开关S,当滑动变阻器R1、R2的滑片处于各自的中点位置时,悬在电容器C两极板间的带点尘埃P恰好处于静止状态.要使尘埃P向下加速运动,下列方法中可行的是( )![]()
| A.把R1的滑片向左移动 |
| B.把R2的滑片向左移动 |
| C.把R2的滑片向右移动 |
| D.把开关S断开 |
如图所示,将一根粗细均匀的电阻丝弯成一个闭合的圆环,接入电路中,电路与圆环的O点固定,P为与圆环良好接触的滑动头,闭合开关S,在滑动头P缓慢地由m点经n点移到q点过程中,电容器C所带的电荷量将 ( )![]()
| A.由少变多 | B.由多变少 |
| C.先增多后减少 | D.先减少后增多 |
如图所示,U恒定,此时带电粒子P静止在平行板电容器之 间,当K闭合时,带电粒子P将 ( )![]()
| A.向下加速运动 |
| B.向上加速运动 |
| C.保持静止 |
| D.关于P的运动状态,无法确定 |
如图所示,两板间距为d的平行板电容器与电源连接,电键k闭合。电容器两板间有一质量为m,带电量为q的微粒静止不动。下列各叙述中正确的是:( )![]()
| A.微粒带的是正电 |
| B.电源电动势大小为mgd/q |
| C.若将电容器两板错开一些,电容器的电容将增大 |
| D.保持电键k闭合,增大电容器两板距离,微粒将向下加速运动 |
在如图所示的电路中,电源的电动势、内电阻恒定.要想使电容器所带电量增加,可以( )![]()
| A.增大R1 |
| B.减小R1 |
| C.增大R2 |
| D.减小R2 |
如图所示电容器充电结束后保持与电源连接,电源电压恒定,带电油滴在极板间静止。若将板间距缓慢变大些,则 ( ).![]()
| A.油滴将向上运动 | B.油滴将向下运动 |
| C.电容器带电量将增加 | D.电容器带电量将减少 |