图中电源电动势E=10V,R1=4Ω,R2=6Ω,C=30μF,电池内阻可忽略不计,电键K闭合,现将电键K断开,这个过程中流过R1的电量为 ![]()
| A.1.8 | B.3 | C.4.8 | D.1.2 |
如图所示,电流表、电压表均为理想电表,L为小电珠。R为滑动变阻器,电源电动势为E,内阻为r。现将开关S闭合,当滑动变阻器滑片P向左移动时,下列结论正确的是( )![]()
| A.电流表示数变大,电压表示数变小 |
| B.小电珠L变亮 |
| C.电容器C上电荷量增加 |
| D.电源的总功率变大 |
在如图电路中,电键S1 、S2 、S3、S4均闭合。C是水平放置的平行板电容器,板间悬浮着一油滴P。断开哪一个电键后P会向下运动( )![]()
| A.S1 |
| B.S2 |
| C.S3 |
| D.S4 |
如右图所示的电路中,电阻R1=10Ω,R3=5Ω,R4=10Ω,电容器电容C=2μF,电源电动势E=15V,内阻不计,要使电容器不带有电,变阻器R2的阻值应调为
![]()
| A.8Ω |
| B.16Ω |
| C.20Ω |
| D.40Ω |
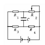
如图所示,R1、R2、R3、R4均为可变电阻,C1、C2均为电容器,电源的电动势为E,内阻r≠0。若改变四个电阻中的一个阻值,则( )![]()
| A.减小R1,C1、C2所带的电量都增加 |
| B.增大R2,C1、C2所带的电量都增加 |
| C.增大R3,C1、C2所带的电量都增加 |
| D.减小R4,C1、C2所带的电量都增加 |
如图所示的电路,水平放置的平行板电容器中有一个带电液滴正好处于静止状态,现将滑动变阻器的滑片P向左移动,则( )![]()
| A.电容器中的电场强度将增大 |
| B.电容器上的电荷量将减少 |
| C.电容器的电容将减少 |
| D.液滴将向下运动 |
如图所示,当电路中滑动变阻器R2的滑动触头P向下滑动时( )![]()
| A.电容器C的电容增大 |
| B.电容器C两极板间的电场强度增大 |
| C.电压表的读数减小 |
| D.R1消耗的功率增大 |
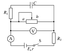
在如图的电路中电源电动势为E,内电阻为r.闭合开关S,待电流达到稳定后,电流表示数为I,电压表示数为U,电容器C所带电荷量为Q.现将滑动变阻器的滑动触头从图示位置向a端移动一些,待电流达到稳定后,则与移动前相比( )![]()
| A.U变小 | B.I变大 |
| C.Q增大 | D.Q减小 |
在如图6所示的电路中,电源电动势为E,内电阻为r,C为电容器,R0为定值电阻,R为滑动变阻器.开关闭合后,灯泡L能正常发光.当滑动变阻器的滑片向右移动时,下列判断正确的是( )![]()
| A.灯泡L将变暗 |
| B.灯泡L将变亮 |
| C.电容器C的电荷量将减小 |
| D.电容器C的电荷量将增大 |
(2011年舟山质检)如图所示的电路,水平放置的平行板电容器中有一个带电液滴正好处于静止状态,现将滑动变阻器的滑片P向左移动,则( )![]()
| A.电容器中的电场强度将增大 |
| B.电容器上的电荷量将减少 |
| C.电容器的电容将减少 |
| D.液滴将向上运动 |