(2012年2月重庆八中检测)如图所示,平行金属板中带电质点P原处于静止状态,不考虑电流表和电压表对电路的影响,当滑动变阻器R4的滑片向b端移动时,则![]()
| A.电压表读数减小 |
| B.电流表读数减小 |
| C.质点P将向上运动 |
| D.R3上消耗的功率逐渐增大 |
(2012年2月江西重点中学盟校联考)在如图所示的电路中,灯泡L的电阻大于电源的内阻r,闭合电键S,将滑动变阻器滑片P向左移动一段距离后,下列结论正确的是( )![]()
| A.灯泡L变亮 | B.电流表读数变小,电压表读数变大 |
| C.电源的输出功率变小 | D.电容器C上电荷量减少 |
(2012大连检测)如图所示,R3处是光敏电阻,a、b两点间接一电容,当开关S闭合后,在没有光照射时,电容上下极板上电量为零,当用光线照射电阻R3时![]()
| A.R3的电阻变小,电容上极板带正电,电流表示数变大 |
| B.R3的电阻变小,电容上极板带负电,电流表示数变大 |
| C.R3的电阻变大,电容上极板带正电,电流表示数变小 |
| D.R3的电阻变大,电容上极板带负电,电流表示数变小 |
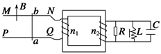
如图所示,MN和PQ为两个光滑的电阻不计的水平金属导轨,变压器为理想变压器,今在水平导轨部分加一竖直向上的匀强磁场,则以下说法正确的是 ( )![]()
| A.若ab棒匀速运动,则IR≠0,IL≠0,IC=0 |
| B.若ab棒匀速运动,则IR=0,IL =0,IC =0 |
| C.若ab棒固定,磁场按B=Bm sinωt.的规律变化,则IR≠0,IL≠0,IC=0 |
| D.若ab棒做匀加速运动,IR≠0,IL≠0,IC=0 |
在如图所示的电路中,R1=11Ω,r=1Ω,R2=R3=6Ω,当开关S闭合且电路稳定时,电容器C的带电荷量为Q1;当开关S断开且电路稳定时,电容器C的带电量为Q2,则( )![]()
| A.Q1:Q2=1:3 | B.Q1:Q2=3:1 |
| C.Q1:Q2=1:5 | D.Q1:Q2=5:1 |
如图所示的电路中,已知电容C1=C2,电阻R1﹥R2,电源内阻可忽略不计,当开关S接通时,以下说法中正确的有( )
| A.C1的电量增多,C2的电量减少 |
| B.C1的电量减少,C2的电量增多 |
| C.C1、C2的电量都减少 |
| D.C1、C2的电量都增多 |
如图所示,R1、R2、R3、R4均为可变电阻,C1、C2均为电容器,电源的电动势为E,内阻r≠0。若改变四个电阻中的一个阻值,则( )![]()
| A.减小R1,C1、C2所带的电量都增加 |
| B.增大R2,C1、C2所带的电量都增加 |
| C.增大R3,C1、C2所带的电量都增加 |
| D.减小R4,C1、C2所带的电量都增加 |
如图,平行板电容器与电动势为E的直流电源(内阻不计)连接,下极板接地.开关S闭合时,一位于P点的带电油滴恰好处于静止状态.现将下极板竖直向上平移一小段距离,如图中虚线所示,则![]()
| A.电容增大 |
| B.P点的电势升高 |
| C.P点的电势降低 |
| D.带点油滴仍保持静止状态 |