.如图所示,将一根粗细均匀的电阻丝弯成一个闭合的圆环,接入电路中,电路与圆环的O点固定,P为与圆环良好接触的滑动头。闭合开关S,在滑动头P缓慢地由m点经n点移到q点的过程中,电容器C所带的电荷量将![]()
| A.由小变大 | B.由大变小 |
| C.先变小后变大 | D.先变大后变小 |
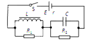
如图所示,E、r为电源的电动势、内阻,R1(与线圈并联)、R2(与电容并联)为定值电阻,线圈L的直流电阻不计,C为电容器。下列说法中正确的是( )![]()
| A.合上开关S的瞬间,R1中无电流 |
| B.合上开关S稳定后,R2中无电流 |
| C.合上开关S稳定后,断开S的瞬间,R1中电流方向向右 |
| D.合上开关S稳定后,断开S的瞬间,R2中电流方向向右 |
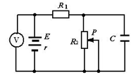
右图所示的电路中,当滑动变阻器R2的滑动触头P向下滑动时![]()
| A.电压表的读数增大 |
| B.R1消耗的功率增大 |
| C.电容器C的电容增大 |
| D.电容器C所带电量增多 |
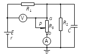
如图所示的电路中,电流表
和电压表
均可视为理想电表,现闭合开关S后,将滑动变阻器滑片P向左移动,下列结论正确的是( )![]()
| A.电流表 |
| B.小灯泡L变亮 |
| C.电容器C上电荷量减小 |
| D.电源的总功率变大 |
如图所示连接电路,电源电动势为6V。先使开关S与1端相连,电源向电容器充电,这个过程可在瞬间完成。然后把开关S掷向2端,电容器通过电阻R放电,电流传感器将测得的电流信息传人计算机,屏幕上显示出电流随时间变化的I – t 曲线如图2所示。据此图可估算出电容器释放的电荷量,并进而估算出电容器的电容为 ( )![]()
| A.2.0×10-1F | B.1.3×10-2F | C.4.5×10-3F | D.5.5×10-4F |
如图所示,电源电动势为4V,内阻为1Ω,电阻R1=3Ω,R2=R3=4Ω,电流表的内阻不计,闭合S电路达稳定状态后,电容器两极间电压为( )![]()
| A.0 |
| B.2.3V |
| C.3V |
| D.3.2V |
在如图所示的电路中,电源电动势为E,内电阻为r,C为电容器,R0为定值电阻,R为滑动变阻器.开关闭合后,灯泡L能正常发光。当滑动变阻器的滑片向右移动时,下列判断正确的是![]()
| A.灯泡L将变暗 |
| B.灯泡L将变亮 |
| C.电容器C的电荷量将减小 |
| D.电容器C的电荷量将增大 |
如图所示电路中,电源电动势为E、内阻为r,电阻R2、R3为定值电阻,R1为滑动变阻器,A、B为电容器的两个极板。当滑动变阻器R1处于某位置时,A、B两板间的带电油滴静止不动。则下列说法中正确的是 ( )![]()
| A.仅把R1的触头向右滑动时,电流表读数减小,油滴向下运动 |
| B.仅把R1的触头向右滑动时,电流表读数减小,油滴向上运动 |
| C.仅把两极板A、B间距离增大,油滴向下运动,电流表读数不变 |
| D.仅把两极板A、B间相对面积减小,油滴向下运动,电流表读数不变 |
如图所示是一个由电池、电阻R、电键S与平行板电容器组成的串联电路,电键S闭合,在增大电容器两极板间距离的过程中( )![]()
| A.电阻R中没有电流 |
| B.电容器的电容变小 |
| C.电阻R中有从a流向b的电流 |
| D.电阻R中有从b流向a的电流 |