如图所示,将一根粗细均匀的电阻丝弯成一个闭合的圆环,接入电路中,电路与圆环的O点固定,P为与圆环良好接触的滑动头。闭合开关S,在滑动头P缓慢地由m点经n点移到q点的过程中,电容器C所带的电荷量将![]()
| A.由小变大 |
| B.由大变小 |
| C.先变小后变大 |
| D.先变大后变小 |
如图所示,由一个由电池、电阻R、开关S与平行板电容器组成的串联电路,开关闭合.在增大电容器两极板间距离的过程中( )![]()
| A.电阻R中没有电流 |
| B.电容器的电容变小 |
| C.电阻R中有从b流向a的电流 |
| D.电阻R中有从a流向b的电流 |
如图所示的电路,水平放置的平行板电容器中有一个带电液滴正好处于静止状态,现将滑动变阻器的滑片P向左移动,则![]()
| A.电容器中的电场强度将增大 | B.电容器上的电荷量将减少 |
| C.电容器的电容不变 | D.液滴将向上运动 |
如图所示的电路图中,电源电动势E,内阻忽略不计,C2=2C1,R2=2R1,下列说法正确的是( )![]()
| A.开关处于断开状态,电容C2的电量大于C1的电量 |
| B.开关处于断开状态,电容C1的电量大于C2的电量 |
| C.开关处于接通状态,电容C2的电量大于C1的电量 |
| D.开关处于接通状态,电容C1的电量大于C2的电量 |
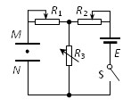
在如图所示的电路中,R1、R2、R3均为可变电阻。当开关S闭合后,两平行金属板MN中有一带电液滴正好处于静止状态。现将R3变大,则以下判断正确的是 ( )![]()
| A.液滴将向下运动 |
| B.电容器将继续充电 |
| C.有从左到右的瞬时电流流过R1 |
| D.电容器上的带电量将增大 |
如图所示,已知R1>R2,C1=C2,当S断开时,C1内有一带电粒子处于平衡状态,下面叙述正确的是 ( )![]()
①S断开时,C1、C2电量之比为1∶1
②S闭合后,C1、C2电量之比为R1∶R2
③S闭合后,C1内的带电微粒向上加速运动
④S闭合后,B点电势降低
| A.②③ | B.①③ | C.①②④ | D.③④ |
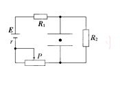
如图所示电路中,当滑动变阻器R2的滑动触头向a端滑动时![]()
| A.电压表V的示数将变小 |
| B.R1消耗的功率将减小 |
| C.电源功率将减小 |
| D.电容器C所带的电量增大 |
如图所示,已知R1>R2,C1=C2,当S断开时,C1内有一带电粒子处于平衡状态,下面叙述正确的是 ( )![]()
①S断开时,C1、C2电量之比为1∶1
②S闭合后,C1、C2电量之比为R1∶R2
③S闭合后,C1内的带电微粒向上加速运动
④S闭合后,B点电势降低
| A.②③ | B.①③ | C.①②④ | D.③④ |
要使平行板电容器的的电容增加的是:( )
| A.两极板正对面积增大; | B.两极板间距增大; |
| C.改用介电常数较小的电介质; | D.以上说法都不对 |