右图的电路中C是平行板电容器,在开关S先触1后又扳到2,这时将平行板的板间距拉大一点,下列说法
正确的是( )![]()
| A.平行板电容器两板的电势差不变 | B.平行扳电容器两板的电势差变小 |
| C.平行板电容器两板的电势差增大 | D.平行板电容器两板间的的电场强度不变 |
如图所示,两个有小孔
、
的平行金属板
、
水平放置,并分别与电源的正负板相连,将一带正电的小球从小孔正上方的
点无初速释放,不计空气阻力,小球恰好能穿过小孔
,下列情况中,小球仍能穿过
的是( )![]()
| A.开关 |
| B.开关 |
| C.开关 |
| D.开关 |
如图所示,C为两极板水平放置的平行板电容器.闭合开关S,当滑动变阻器R1、R2的滑片处于各自的中点位置时,悬在电容器C两极板间的带电尘埃P恰好处于静止状态,要使尘埃P向下加速运动,下列方法中唯一可行的是 ![]()
| A.把R1的滑片向左移动 |
| B.把R2的滑片向左移动 |
| C.把R2的滑片向右移动 |
| D.把闭合的开关S断开 |
如图所示各元件规格如图示,则图中电容器所带电量为( )![]()
| A.6×10-5C; | B.2×10-5C; |
| C.4×10-5C; | D.1.2×10-5C; |
如图所示的直流电路稳定运行,在水平放置的平行板电容器C两板间有一个带电液滴正好可以静止。下列哪些变化可能造成液滴下降( )![]()
| A.开关S断开 |
| B.R4断路故障 |
| C.R2短路故障 |
| D.电容器上极板下降(不碰到液滴) |
如图所
示,D是一只二极管,它的作用是只允许电流从a流向b,不允许电流从b流向a ,平行板电容器AB内部原有电荷P处于静止状态,当两极板A和B的间距稍增大一些的瞬间(两极板仍平行),P的运动情况将是( )![]()
| A.仍静止不动 | B.向下运动 |
| C.向上运动 | D.无法判断 |
如图所示,A板发出的电子经加速后,水平射入水平放置的两平行金属板M、N间,M、N金属板间所加的电压为U,电子最终打在光屏P上,关于电子的运动,则下列说法中正确的是( )![]()
| A.滑动触头向右移动时,其他不变,则电子打在荧光屏上的位置上升 |
| B.滑动触头向左移动时,其他不变,则电子打在荧光屏上的位置上升 |
| C.电压U增人时,其他不变,则电子打在荧光屏上的速度大小不变 |
| D.电压U增大时,其他不变,则电子从发出到打在荧光屏上的时间不变 |
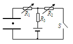
电源和一个水平放置的平行板电容器、二个变阻器R1、R2和定值电阻R3组成如图所示的电路。当把变阻器R1、R2调到某个值时,闭合开关S,电容器中的一个带电液滴正好处于静止状态。当再进行其他相关操作时(只改变其中的一个),以下判断正确的是![]()
| A.将R1的阻值增大时,液则滴仍保持静止状态 |
| B.将R2的阻值增大时,通过R3的电流减小,液滴将向下运动 |
| C.断开开关S,电容器上的带电量将减为零 |
| D.把电容器的上极板向上平移少许,电容器的电量将增加 |
在如图所示的电路中,已知电容C=2μF,电源电动势E=12V,内电阻不计,R1∶R2∶R3∶R4=1∶2∶6∶3,则电容器极板a上所带的电量为![]()
| A.-8×10-6C |
| B.4×10-6C |
| C.-4×10-6C |
| D.8×10-6C |