如图电路,电源电动势为E,内电阻为零,外接电路中的电阻R1=10Ω,电动机的内阻R2=10Ω。当电键打开时,电流表的示数是1A,当电键合上后,电动机转动起来,电流表A的示数I和电路消耗的电功率P应是(BD ) ![]()
| A.I=2A | B.I<2A | C.P=20W | D.P<20W |
2008年1月10日开始的低温雨雪冰冻造成我国部分地区严重灾害,其中高压输电线因结冰而损毁严重。此次灾害牵动亿万人的心。为消除高压输电线上的凌冰,有人设计了这样的融冰思路:利用电流的热效应除冰。若在正常供电时,高压线上输电电压为U,电流为I,热耗功率为P;除冰时,输电线上的热耗功率需变为9P,则除冰时(认为输电功率和输电线电阻不变)( )
| A.输电电流为9I | B.输电电压为3U |
| C.输电电流为I/3 | D.输电电压为U/3 |
电阻R
、R
的I-U图线如图所示,现将R
、R
串联后接到电源上,R
消耗的电功率是4W,则R
消耗的电功率是 ( )![]()
| A.10w | B.9W |
| C.6W | D.2W |
如图所示,电源的电动势为E,内阻为r,R0为定值电阻, R为变阻器,已知R0>r。为使R0上消耗的电功率最大,应将变阻器阻值调整到 ( ) ![]()
| A.R0 | B.R0+r |
| C.R0-r | D.0 |
一个电源分别接上8Ω和2Ω的电阻时,两电阻消耗的电功率相等,则电源内阻为( )
| A.1Ω | B.2Ω | C.4Ω | D.8Ω |
如图,a、b分别表示一个电池组和一只电阻的伏安特性曲线。则以下说法正确的是 ( )[来源:学.科.网Z.X.X.
K]
| A.电池组的内阻为3Ω |
| B.电阻的阻值约为0.33Ω |
| C.将该电阻接在该电池组两端,电池组的输出功率将是4W |
| D.改变外电阻的阻值时,该电池组的最大输出功率为4W |
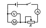
在研究微型电动机的性能时,可采用右图所示的实验电路。当调节
滑动变阻器R,使电动机停止转动时,电流表和电压表的示数分别为0.5A和1.0V;重新调节R,使电动机恢复正常运转时,电流表和电压表的示数分别为2.0A和15.0V。则当这台电动机正常运转时
( )
| A.电动机的输出功率为8W | B.电动机的输出功率为30W |
| C.电动机的内阻为7.5 | D.电动机的内阻为2 |
如图所示,电阻R1=20Ω,电动机的绕组R2=10Ω.当电键S断开时,电流表的示数是0.5A,当电键S闭合后,电动机转动起来,电路两端的电压不变,电流表的示数I和电路消耗的电功率应是( ) ![]()
| A.I="1.5A" | B.I<1.5A | C.P="15W" | D.P<15W |
有一台电风扇标有“220V;50W”,电动机线圈的电阻是0.4Ω。把它接入220V的电路中,以下求电风扇电机线圈的电阻上每分钟发出热量的四种解法中,正确的是
| A.Q="Pt=50×60" J ="3000" J |
| B.I= |
| C.I= |
| D.Q= |