关于闭合电路的说法中,错误的是
| A.电源短路时,电源内电压等于电动势 | B.电源短路时,路端电压为零 |
| C.电源断路时,路端电压等于电动势 | D.外路电阻增大时,路端电压减小 |
有一台电动机,额定电压220V,额定功率1.1KW,线圈电阻为2Ω,当此电动机在额定电压下正常工作时( )
| A.电动机输出的机械功率为1.1KW。 |
| B.电动机的输出的机械功率为1.05KW。 |
| C.电动机的发热功率为50W。 |
| D.若电动机转子由于卡壳而不转动时,发热功率为50W,输出的机械功率为0,消耗的电功率为50W。 |
在电流表的改装实验中所用电流表 G 的内阻为 Rg,用它测量电压时,量程为 U;用它改装成较大量程的电流表后,内阻为 RA,量程为 I,这几个量的关系正确的是( )
| A.U/I=RA< Rg | B.U/I=Rg<RA |
| C.U/I=Rg> RA | D.U/I<RA= Rg |
某物理兴趣小组在做描绘小灯泡的伏安特性曲线的实验中,画出了如图所示的图象(单位均为国际单位),关于这个电阻大小的计算,四个同学却发生了争执,你认为他们中一定正确的是( )(AB是曲线上经过A点的切线)![]()
| A.甲同学认为该电阻的大小随着电流的增大而增大。 |
| B.乙同学认为电流为i时,该电阻大小等于角1的正切值。 |
| C.丙同学认为电流为i时,该电阻大小等于角2的正切值。 |
| D.丁同学认为电流为i时,该电阻大小等于u和i的比值。 |
如图所示,电路中RT为热敏电阻,R1和R2为定值电阻。当温度升高时,RT阻值变小。开关S闭合后,RT的温度升高,则下列物理量中变小的是 ![]()
| A.通过RT的电流 | B.通过R1的电流 |
| C.通过R2的电流 | D.电容器两极板间的电场强度 |
在如图所示的电路中,若该伏特表和安培表的位置互换,则可能发生的情况是( )![]()
| A.伏特表将被烧坏 | B.安培表将被烧坏 |
| C.灯泡不能发光 | D.灯泡将被烧坏 |
许多人造卫星都用太阳能电池供电,太阳电池由许多片电池板组成。当太阳光照射某电池板时,该电池板的开路电压是600mV,短路电流是30mA,那么,这块电池板的内电阻是( )
| A.10Ω | B.20Ω | C.40Ω | D.60Ω |
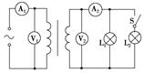
为探究理想变压器原、副线圈电压、电流的关系,将原线圈接到电压有效值不变的正弦交流电源上,副线圈连接相同的灯泡L1、L2,电路中分别接了理想交流电压表V1、V2和理想交流电流表A1、A2,导线电阻不计,如图所示.当开关S闭合后( )![]()
| A.A1示数变大,A1与A2示数的比值不变 | B.A1示数变大,A1与A2示数的比值变大 |
| C.V2示数变小,V1与V2示数的比值变大 | D.V1示数不变,V1与V2示数的比值不变 |
如图所示的电路中,R1、R2、R4皆为定值电阻,R3为滑动变阻器,电源的电动势为E,内阻为r,设理想电流表的示数为I,理想电压表的示数为U,当滑动变阻器的滑臂向a端移动过程中( )![]()
| A.I变大,U变小 | B.I变大,U变大 |
| C.I变小,U变大 | D.I变小,U变小 |
图中A为理想电流表,V1和V2为理想电压表,R1为定值电阻,R2为可变电阻,电源E内阻不计,则( )![]()
| A.R2不变时,V2读数与A读数之比等于Rl |
| B.R2不变时,Vl表示数与A示数之比等于Rl |
| C.R2改变一定量时,V2读数的变化量与A读数的变化量之比的绝对值等于R1 |
| D.R2改变一定量时,V1读数的变化量与A读数的变化量之比的绝对值等于R1 |