如图所示为某一电源的U-I曲线,由图可知 ( )![]()
| A.电源电动势为2.0 V |
| B.电源内阻为 |
| C.电源短路时电流为6.0A |
| D.电路路端电压为1.0 V时,电路中电流为5.0 A |
NTC热敏电阻器即负温度系数热敏电阻器,也就是指阻值随温度的升高而减小的电阻。负温度系数的热敏电阻R2接入如下图所示电路中,R1为定值电阻,L为小灯泡,当温度降低时(不考虑灯泡和定值电阻阻值随温度变化)![]()
| A.小灯泡变亮 | B.小灯泡变暗 |
| C.R1两端的电压减小 | D.电流表的示数增大 |
关于电动势及闭合电路欧姆定律,下列说法正确的是( )
| A.电源电动势越大,电源所能提供的电能就越多 |
| B.电源电动势等于路端电压 |
| C.外电路的电阻越大,路端电压就越大 |
| D.路端电压增大时,电源的输出功率可能减小 |
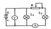
如图所示的电路中,当滑动变阻器滑动触头向左滑动时,正确的是:![]()
| A.L1灯泡变亮 |
| B.L2灯炮变亮 |
| C.电压表读数变大 |
| D.电流表读数变小 |
在如图所示电路中,闭合电键S,当滑动变阻器的滑动触头P向下滑动时,四个理想电表的示数都发生变化,电表的示数分别用I、U1、U2和U3表示,电表示数变化量的大小分别用ΔI、ΔU1、ΔU2和ΔU3表示.下列比值正确的是 ( )![]()
| A.U1/I不变,ΔU1/ΔI不变 |
| B.U2/I变大,ΔU2/ΔI变大 |
| C.U2/I变大,ΔU2/ΔI不变 |
| D.U3/I变大,ΔU3/ΔI不变 |
如图所示电路中,电源内阻不计,三个小灯泡完全相同且外电路变化时每个灯泡两端的电压都不会超过其额定电压,开始时只有S1闭合,当S2也闭合后,下列说法正确的是( )![]()
| A.灯泡L1变亮 |
| B.灯泡L2变亮 |
| C.电容器C的带电荷量将增加 |
| D.闭合S2的瞬间流过电流表的电流方向自右向左 |
在如图所示的电路中,
、
、
和
皆为定值电阻,
为可变电阻,电源的电动势为E,内阻为
.设电流表
的读数为
,
的读数为
,电压表
的读数为
。当
的滑触点向图中
端移动时( )![]()
| A. |
| B. |
| C. |
| D. |
如图所示的电路中,电源电动势为E,内阻r不能忽略.R1和R2是两个定值电阻,L是一个自感系数较大的线圈.开关S原来是断开的.从闭合开关S到电路中电流达到稳定为止的时间内,通过R1的电流I1和通过R2的电流I2的变化情况是 ( )![]()
| A.I1开始较大而后逐渐变小 | B.I1开始很小而后逐渐变大 |
| C.I2开始很小而后逐渐变大 | D.I2开始较大而后逐渐变小 |
在如图所示电路中,电源内阻不可忽略。开始时电键K1、K2均闭合,现先断开电键K1,则电压表与电流表的示数均发生变化,设它们的示数变化量之比为M1=DU1/DI1,再断开电键K2,两表新的示数变化量之比为M2=DU2/DI2,若已知R2<R3,则比较M1与M2的绝对值的大小应有: ( )![]()
| A.M1>M2; | B.M1=M2; | C.M1<M2; | D.无法确定 |