家庭用的电吹风中,有一个小电动机和一段电热丝串联。电热丝给
空气加热,电动机带动风叶转动,送出热风将头发吹干。设电动机线圈的电阻为R1,电热丝的电阻为R2。将电吹风接到直流电源上,电源输出电压为U,输出电流为I,电吹风消耗的电功率为P,①P=UI;②P>UI;③P=I 2(R1+ R2);④P>I 2(R1+ R2)。以上结论正确的有 ( )
| A.只有①③ | B.只②④有 | C.只有②③ | D.只有①④ |
如图所示的电路中,电源的电动势E和内电阻r恒定不变,电灯L恰能正常发光,如果变阻器的滑片向b端滑动,则( )![]()
| A.电灯L更亮,安培表的示数减小 |
| B.电灯L更亮,安培表的示数增大 |
| C.电灯L变暗,安培表的示数减小 |
| D.电灯L变暗,安培表的示数增大 |
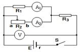
在如图所示的电路中,E为电源电动势,r为电源内阻,R1和 R3均为定值电阻,R2为滑动变阻器。当R2的滑动触点在a端时合上开关S,此时三个电表A1 、A2和V的示数分别为I1、I2和U.现将R2的滑动触点向b端移动,则三个电表示数的变化情况是( )![]()
| A.I1增大,I2不变,U增大 |
| B.I1减小,I2不变,U减小 |
| C.I1增大,I2减小,U增大 |
| D.I1减小,I2增大,U减小 |
如右图所示,电源电动势为E,内电阻为r。当滑动变阻器R的滑片P从右端滑到左端时,发现电压表V1、V2示数变化的绝对值分别为ΔU1和ΔU2,下列说法中正确的是![]()
| A.小灯泡L1、L3变暗,L2变亮 |
| B.小灯泡L3变暗,L1、L2变亮 |
| C.ΔU1>ΔU2 |
| D.ΔU1<ΔU2 |
在如图所示的电路中,E为电源电动势,r为电源内阻,R1和R3均为定值电阻,R2为滑动变阻器。当R2的滑动触点在a端时合上开关S,此时三个电表A1、A2和V的示数分别为I1、I2和U;现将R2的滑动触点向b端移动,则三个电表示数的变化情况是![]()
| A.I1增大,I2不变,U增大 |
| B.I1减小,I2增大,U减小 |
| C.I1增大,I2减小,U增大 |
| D.I1减小,I2不变,U减小 |
某一电源的路端电压与电流的关系和电阻R1、R2的电压与电流的关系如图所示。用此电源和电阻R1、R2组成电路。R1、R2可以同时接入电路,也可以单独接入电路。为使电源输出功率最大,可采用的接法是( )![]()
| A.将R1、R2串联后接到电源两端 |
| B.将R1、R2并联后接到电源两端 |
| C.将R1单独接到电源两端 |
| D.将R2单独接到电源两端 |
如图所示,电源电动势为E,内电阻为r。当滑动变阻器R的滑片P从右端滑到左端时,发现电压表V1、V2示数变化的绝对值分别为ΔU1和ΔU2,下列说法中正确的是( )![]()
| A.小灯泡L1、L3变暗,L2变亮 | B.小灯泡L3变暗,L1、L2变亮 |
| C.ΔU1>ΔU2 | D.ΔU1<ΔU2 |
在如图所示电路中当滑动变阻器R3的滑动头P向b端移动时( )![]()
| A.电压表示数变大电流表示数变小 |
| B.电压表示数变小电流表示数变大 |
| C.电压表示数变大电流表示数变大 |
| D.电压表示数变小电流表示数变小 |
在如图所示的电路中,电池的电动势为ε,内电阻为r,R1、R2为两个阻值固定的电阻,当可变电阻R的滑片向下移动时,安培表的示数I和伏特表的示数U将:( )![]()
| A.I变大,U变大 | B.I变大,U变小 |
| C.I变小,U变大 | D.I变小,U变小 |