如图所示的电路中,闭合开关S,灯泡L1和L2均正常发光,由于某种原因灯L2灯丝突然烧断,其余用电器均不会损坏,则下列结论正确的是( )![]()
| A.电流表读数变大,电压表读数变小 |
| B.灯泡L1变亮 |
| C.电容器C上的电荷量增加 |
| D.电源的的输出功率可能变大 |
在如右上图所示电路中,闭合电键S,当滑动变阻器的滑动触头P向下滑动时,三个理想电表的示数都发生变化,电表的示数分别用I、U1、U2表示。下列判断正确的是 ![]()
| A.I 减小,U1减小 |
| B.I 减小,U2增大 |
| C.I 增大,U1增大 |
| D.I 增大,U2增大 |
某同学将一直流电源的总功率PE、输出功率PR和电源内部的发热功率Pr随电流I变化的图线画在了同一坐标上,如右图中的a、b、c所示,外电路为纯电阻电路,下面说法正确的是( )![]()
| A.反映Pr变化的图线是c |
| B.电源电动势为8V |
| C.电源内阻为2Ω |
| D.当电流为0.5A时,外电路的电阻为6Ω |
酒精测试仪用于对机动车驾驶人员是否酒后驾车及其他严禁酒后作业人员的现场检测,它利用的是一种二氧化锡半导体型酒精气体传感器. 酒精气体传感器的电阻随酒精气体浓度的变化而变化,在如图所示的电路中,不同的酒精气体浓度对应着传感器的不同电阻,这样,显示仪表的指针就与酒精气体浓度有了对应关系. 如果二氧化锡半导体型酒精气体传感器电阻r′的倒数与酒精气体的浓度成正比,那么,电压表示数U与酒精气体浓度c之间的对应关系正确的是( )![]()
| A.U越大,表示r′越大c越大,c与U成正比 |
| B.U越大,表示c越大,但是c与U不成正比 |
| C.U越小,表示c越小,c与U成反比 |
| D.U越小,表示r′越小c越大,但是c与U成正比 |
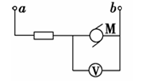
如图所示的电路,定值电阻阻值为10 Ω,电动机M的线圈电阻为2 Ω,a,b两端加44 V的恒定电压,理想电压表的示数24V,由此可知![]()
| A.通过电动机的电流为12 A |
| B.电动机消耗的功率为24 W |
| C.电动机线圈在1分钟内产生的热量为480 J |
| D.电动机输出的功率为8 W |
电动势为E,内阻为r的电源,当它和一标有“6V,3W”的小灯泡构成闭合回路时,小灯泡恰好正常发光。若该电源与一标有“6V,6W”的小灯泡构成一闭合回路,该灯泡
| A.正常发光 | B.比正常发光暗 |
| C.比正常发光亮 | D.因不知电源内阻的大小,故无法确定 |
如图电路中,在滑动变阻器的滑片P向上端a滑动过程中,两表的示数情况为: ![]()
| A.电压表示数增大,电流表示数减少。 |
| B.电压表示数减少,电流表示数增大。 |
| C.两电表示数都增大。 |
| D.两电表示数都减少。 |