如图所示的U—I图像中,直线I为某电源的路端电压与电流的关系,直线Ⅱ为某一电阻R的伏安特性曲线,用该电源直接与电阻R连接成闭合电路,由图像可知![]()
| A.R的阻值为1.5Ω |
| B.电源内部消耗功率为1.5W |
| C.电源的输出功率为3.0W |
| D.电源电动势为3V,内阻为0.5Ω |
关于闭合电路的性质,以下说法正确的是
| A.电源短路时,输出电流无限大 |
| B.电源断路时,路端电压无限大 |
| C.外电路电阻越大,输出电流越大 |
| D.外电路电阻越大,路端电压越大 |
家用电话机不摘机(不通话,开路)时,测该机两条电话线两端的电压约为36V,摘机(通话)时,测电话线两端的电压约为6V,此时通过电话机的电流为15mA,若将电话机从电话线两端取下来,换接上小灯泡(2.5V,0.5W),小灯泡几乎不发光,根据以上实验事实,下面推断正确的是
| A.小灯泡的电阻太大,约2kΩ,所以小灯泡几乎不发光 |
| B.给电话机供电的电源的电动势太小,远小于2.5V |
| C.电话机的电阻约10 Ω. |
| D.给电话机供电的电源的内阻约2kΩ |
在如图所示电路中,电源的电动势为E,内阻为r,当变阻器R2的滑动触头P向a端移动时![]()
| A.电压表示数变大,电流表示数变小 |
| B.电压表示数变小,电流表示数变大 |
| C.电压表示数变大,电流表示数变大 |
| D.电压表示数变小,电流表示数变小 |
把一个量程为5mA的电流表改装成欧姆表R×1档,电流表的内阻是50Ω,电池的电动势是1.5V,经过调零之后测电阻,当欧姆表指针指到满偏的3/4位置时,被测电阻的阻值是 ( )
| A.50Ω | B.16.7Ω | C.100Ω | D.400Ω |
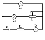
如图所示电路中,三只灯泡原来都正常发光,当滑动变阻器的滑动触头P向左移动时,下面判断正确的是( )![]()
| A.L1和L3变亮,L2变暗 |
| B.LI变暗,L2变亮,L3亮度不变 |
| C.L1中电流变化值小于L3中电流变化值 |
| D.Ll上电压变化值小于L2上的电压变化值 |
电动势为E、内阻为r的电源与定值电阻R1、R2及滑动变阻器R连接成如图所示的电路当滑动变阻器的触头由中点滑向a端时,下列说法正确的是( )![]()
| A.电压表和电流表读数都增大 |
| B.电压表读数增大,电流表读数减小 |
| C.电压表和电流表读数都减小 |
| D.电压表读数减小,电流表读数增大 |
在如图所示电路中,当变阻器R3的滑动头P向b端移动时 ![]()
| A.电压表示数变小,电流表示数变大 |
| B.电源总功率增大,内阻消耗功率增大 |
| C.电阻R1消耗功率增大 |
| D.电阻R2消耗功率增大 |
如图左所示为两电阻R1和R2的伏安特性曲线。将电阻R1和R2接入如图右所示电路中,闭合开关s后,当滑动变阻器触片P向下移动时,则( )![]()
| A.电流表示数增大 |
| B.电压表示数增大 |
| C.电源的总功率增大 |
| D.电阻R1上消耗的电功率大于电阻R2上消耗的电功率 |