电动势为E、内阻为r的电源与定值电阻R1、R2及滑动变阻器R连接成如图14所示的电路.当滑动变阻器的触头由中点滑向b端时,下列说法正确的是( )![]()
| A.电压表和电流表读数都增大 |
| B.电压表和电流表读数都减小 |
| C.电压表读数增大,电流表读数减小 |
| D.电压表读数减小,电流表读数增大 |
在如图13所示的U-I图象中,直线Ⅰ为某一电源的路端电压与电流的关系图象,直线Ⅱ为某一电阻R的伏安特性曲线.用该电源直接与电阻R相连组成闭合电路,由图象可知( )![]()
| A.电源的电动势为3 V,内阻为0.5 Ω |
| B.电阻R的阻值为1 Ω |
| C.电源的输出功率为4 W |
| D.电源的效率为50% |
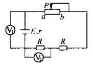
如图所示的电路中,电源的电动势为E,内阻为r.当可变电阻的滑片P向b移动时,电压表V1的读数U1与电压表V2的读数U2的变化情况是( )![]()
| A.U1变大,U2变小 |
| B.U1变大,U2变大 |
| C.U1变小,U2变小 |
| D.U1变小,U2变大 |
如图闭合电路中,当滑片P向右移动时,两电表示数变化是![]()
| A.电流表示数变小 |
| B.电流表示数变大 |
| C.电压表示数变大 |
| D.电压表示数变小 |
如图所示,直线Ⅰ、Ⅱ分别是电源1与电源2的路端电压随输出电流变化的特性图线,曲线Ⅲ是一个小灯泡的伏安特性曲线,如果把该小灯泡先后分别与电源1和电源2单独连接时,则下列说法不正确的是( )![]()
| A.电源1和电源2的内阻之比是11:7 |
| B.电源1和电源2的电动势之比是1:1 |
| C.在这两种连接状态下,小灯泡消耗的功率之比是1:2 |
| D.在这两种连接状态下,小灯泡的电阻之比是1:2 |
图为大型电子地磅电路图,电源电动势为E,内阻不计.不称物体时,滑片P在A端,滑动变阻器接入电路的有效电阻最大,电流较小;称重物时,在压力作用下使滑片P下滑,滑动变阻器有效电阻变小,电流变大.这样把电流对应的重力值刻在刻度盘上,就可以读出被称物体的重力值.若滑动变阻器上A?B间距离为L,最大阻值等于定值电阻阻值R0,已知两弹簧的总弹力与形变量成正比,比例系数为k,则所称重物的重力G与电流的大小I的关系为( )![]()
| A.G=2kL- | B.G=kL |
| C.G= | D.G=kIL |
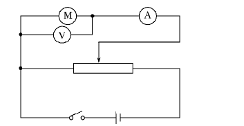
如图所示,电阻R1="20" Ω,电动机线圈电阻R2="10" Ω.当开关S断开时.电流表的示数为0.5 A;当开关S闭合后,电动机转起来,电路两端电压不变.电流表显示的电流I或电路消耗的电功率P应是( )![]()
| A.I="1.5" A | B.I>1.5 A |
| C.P="15" W | D.P<15 W |