高温超导限流器由超导部件和限流电阻并联组成,如图10所示,超导部件有一个超导临界电流Ic,当通过限流器的电流I>Ic时,将造成超导体失超,从超导态(电阻为零)转变为正常态(一个纯电阻),以此来限制电力系统的故障电流.已知超导部件的正常态电阻为R1=3 Ω,超导临界电流Ic=1.2 A,限流电阻R2=6 Ω,小电珠L上标有“6 V,6 W”的字样,电源电动势E=8 V,内阻r=2 Ω,原来电路正常工作,现L突然发生短路,则 ( )
| A.短路前通过R1的电流为 |
| B.短路后超导部件将由超导状态转化为正常态 |
| C.短路后通过R1的电流为 |
| D.短路后通过R1的电流为2 A |
在如图(a)所示的电路中,R1为定值电阻,R2为滑动变阻器。闭合电键S,将滑动变阻器的滑动触头P从最右端滑到最左端,两个电压表的示数随电路中电流变化的完整过程图线如图(b)所示。则 ( )![]()
| A.图线甲是电压表V2示数随电流变化的图线 |
| B.电源内电阻的阻值为10Ω |
| C.电源的最大输出功率为3.6W |
| D.滑动变阻器R2的最大功率为0.9W |
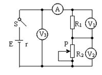
在如图所示电路中,闭合电键S,当滑动变阻器的滑动触头P向下滑动时,四个理想电表的示数都发生变化,电表的示数分别有I、U1、U2、和U3表示。下列比值正确的是( )。![]()
| A.U1/I不变,ΔU1/ΔI不变 | B.U2/I变大,ΔU2/ΔI变大 |
| C.U2/I变大,ΔU2/ΔI不变 | D.U3/I变大,ΔU3/ΔI不变 |
如图所示,开关S接通后,将滑动变阻器的滑动片P向a端移动时,各电表的示数变化情况是( )![]()
| A.V1减小,V2减小,A1增大,A2增大 |
| B.V1增大,V2增大,A1减小,A2减小 |
| C.V1减小,V2增大,A1减小,A2增大 |
| D.V1增大,V2减小,A1增大,A2减小 |
如图电路中,电源电动势为E、内阻为r,闭合开关S,增大可变电阻R的阻值后,电压表示数的变化量为ΔU.在这个过程中,下列判断正确的是( )![]()
| A.电阻R1两端的电压减小,减小量等于ΔU |
| B.电容器的带电荷量减小,减小量小于CΔU |
| C.电压表的示数U和电流表的示数I的比值变大 |
| D.电压表示数变化量ΔU和电流表示数变化量ΔI的比值不变 |
如图,电源内阻为r,电流表和电压表均为理想电表,下列判断正确的是( )![]()
| A.若R1断路,两表的读数均变小 |
| B.若R2断路,两表的读数均变小 |
| C.若R3断路,电流表读数为0,电压表读数变大 |
| D.若R4断路,两表的读数均变大 |
如图所示,电源内阻不可忽略,已知R1为半导体热敏电阻,R2为锰铜合金制成的可变电阻,若发现灯泡L的亮度变暗,可能的原因是( )![]()
| A.R1的温度逐渐降低 |
| B.R1受到可见光的照射 |
| C.R2的阻值逐渐增大 |
| D.R2的阻值逐渐减小 |
如图所示的电路中,闭合开关S后,灯L1、L2都能发光.后来由于某种故障使灯L2突然变亮(未烧坏),电压表的读数增大,由此可推断,这故障可能是( )![]()
| A.电阻R1断路 |
| B.电阻R2短路 |
| C.灯L1两接线柱间短路 |
| D.电阻R2断路 |
如图所示电路中,电源电动势为E,内电阻r不能忽略.闭合S后,调整R的阻值,使电压表的示数增大ΔU,在这一过程中( )![]()
| A.通过R1的电流增大,增大量为ΔU/R1 |
| B.R2两端的电压减小,减小量为ΔU |
| C.通过R2的电流减小,减小量小于ΔU/R2 |
| D.路端电压增大,增大量为ΔU |