如图所示,电源的电动势和内阻分别为E、r,在滑动变阻器的滑片P由a向b移动的过程中,理想电流表、理想电压表的示数变化情况为 ( )![]()
| A.电流表示数一直减小,电压表示数先增大后减小 |
| B.电流表示数先增大后减小,电压表示数先减小后增大 |
| C.电流表示数先减小后增大,电压表示数一直增大 |
| D.电流表示数一直增大,电压表示数一直减小 |
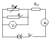
电动势为E、内阻为r的电源与定值电阻R1、R2及滑动变阻器R连接成如图所示的电路,当滑动变阻器的触头由a端滑向b端时,下列说法正确的是![]()
| A.电压表和电流表读数都减小 |
| B.电压表和电流表读数都增大 |
| C.电压表读数增大,电流表读数减小 |
| D.电压表读数减小,电流表读数增大 |
在如图所示的电路中,Rt为半导体热敏电阻,闭合开关,灯泡L1、L2、L3的亮度相同.当Rt处的温度升高时,小灯泡的亮度变化情况是![]()
| A.L1变亮,L2变暗,L3变亮 |
| B.L1变暗,L2变亮,L3变暗 |
| C.L1、L2变亮, L3变暗 |
| D.L1、L2变暗, L3变亮 |
如图所示的电路中,电源内阻一定,若调整可变电阻R的阻值,可使电压表V的示数减小ΔU,电流表A的示数增加ΔI(电压表与电流表均为理想电表),在这个过程中( )![]()
| A.通过R1的电流减少量等于ΔU/R1 |
| B.R2两端的电压增加量等于ΔU |
| C.路端电压减少量等于ΔU |
| D.ΔU/ΔI为定值 |
光敏电阻是用半导体材料制成,光照强度增大,其电阻变小。如图R1、R2为定值电阻,L为小灯泡,R3为光敏电阻,当照射光强度增大时![]()
| A.电压表的示数减小 |
| B.R2中电流减小 |
| C.小灯泡的功率减小 |
| D.电路中路端电压增大 |
如图所示,一只玩具电动机用一节干电池供电,闭合开关S后发现电动机转速较慢,经检测,电动机性能完好,用电压表测点a、b间电压,只有0.6V,断开开关S测得a、b间电压接近1.5V,电动机转速较慢的原因可能是( )![]()
| A.开关S接触不良 | B.电动机两端接线接触不良 |
| C.电动机两端接线短路 | D.电池过旧,内阻过大 |
在如图所示的电路中,电源电动势不变,内阻不计。闭合电键K后,灯L1、L2都发光。一段时间后,其中一灯突然熄灭,而电流表、电压表的示数都不变,则产生这一现象的原因可能是![]()
| A.灯L1短路 | B.灯L2短路 |
| C.灯L1断路 | D.灯L2断路 |
在图所示的电路中,电源电动势为E、内电阻为r。将滑动变阻器的滑片P从图示位置向右滑动的过程中,关于各电表示数的变化,下列判断正确的是( )![]()
| A.电压表V的示数变小 |
| B.电流表 |
| C.电流表 |
| D.电流表A的示数变大 |
在如图所示的电路中,两个灯泡均发光,当滑动变阻器的滑动头向下滑动时,则 ![]()
| A.A灯变亮,B灯变暗 |
| B.A灯和B灯都变亮 |
| C.电源的输出功率减小 |
| D.电源的工作效率降低 |
三只完全相同的电压表,如图所示接入电路中,已知V1的示数为12V,V2的示数为4V,V3的示数应是 ![]()
| A.大于8V,小于12V | B.大于4V,小于8V |
| C.8V | D.12V |