如图所示的电路中,电源内阻不可忽略,若调整可变电阻R的阻值,可使电压表V的示数减小ΔU(电压表为理想电表),在这个过程中( )![]()
| A.通过R1的电流减小,减少量一定等于ΔU/R1 |
| B.R2两端的电压增加,增加量一定等于ΔU |
| C.路端电压减小,减少量一定等于ΔU |
| D.通过R2的电流增加,但增加量一定大于ΔU/R2 |
如图所示电路中,闭合电键S,当滑动变阻器的滑动触头P从最高端向下滑动时,![]()
| A.电压表V读数先变大后变小,电流表A读数变大 |
| B.电压表V读数先变小后变大,电流表A读数变小 |
| C.电压表V读数先变大后变小,电流表A读数先变小后变大 |
| D.电压表V读数先变小后变大,电流表A读数先变大后变小 |
三只完全相同的电压表,如图所示接入电路中,已知V1的示数为12V,V2的示数为4V,V3的示数应是 ![]()
| A.大于8V,小于12V | B.大于4V,小于8V |
| C.8V | D.12V |
如图所示,电源电动势和内电阻不变,R为阻值为1Ω的定值电阻,当在a、b间分别接入R1=10Ω,R2=18Ω的电阻时,理想电压表的示数分别为U1=10V,U2=10.8V,则![]()
| A.电源的电动势为E=l2V,内电阻r=1Ω |
| B.当在a、b间接入R3=2Ω的电阻时,电源的输出功率最大 |
| C.当在a、b间接入C=5μF的电容器时,电容器所带电荷量为6×10-5C |
| D.当在a、b间接入线圈电阻为R0=1Ω,额定功率为9W的电动机时,电动机恰能正常工作,则通过电动机线圈的电流为3A |
如图是一火警报警电路的示意图.其中R3为高分子材料制成的PTC热敏电阻,其阻值随着温度的升高而增大.值班室的显示器为电路中的电流表A,电源两极之间接一报警器,P点接地.当R3处出现火情时,显示器的电流I、报警器两端的电压U和Q点电势的变化情况是( )![]()
| A.I变大,U变小 |
| B.I变大,U变大 |
| C.Q点电势变小 |
| D.Q点电势不变 |
巨磁电阻(GMR)电流传感器可用来准确检测大容量远距离直流输电线路中的强电流,其原理利用了巨磁电阻效应。巨磁电阻效应是指某些磁性材料的电阻R在一定磁场作用下随磁感应强度B的增加而急剧减小的特性。如图所示检测电路,设输电线路电流为I(不是GMR中的电流),GMR为巨磁电阻,R1、R2为定值电阻,已知输电线路电流I在巨磁电阻GMR处产生的磁场的磁感应强度B的大小与I成正比,下列有关说法正确的是( ) ![]()
| A.如果I增大,电压表V1示数减小,电压表V2示数增大 |
| B.如果I增大,电流表A示数减小,电压表V1示数增大 |
| C.如果I减小,电压表V1示数增大,电压表V2示数增大 |
| D.如果I减小,电流表A示数减小,电压表V2示数减小 |
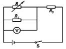
电源的效率定义为外电路电阻消耗的功率与电源的总功率之比。如图6所示的电路,当移动滑动变阻器的滑片时,发现电源的效率有所提高,则![]()
| A.伏特表V的示数变大 |
| B.电流表A的示数变大 |
| C.变阻器R接入电路的电阻变大 |
| D.电源的输出功率变大。 |
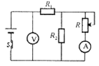
在如图所示的电路中,电池的电动势为E,内电阻为r,R1、R2为 两个阻值固定的电阻,A为内阻可忽略的电流表,V为内阻很大的电压表,当可变电阻R的滑片向下移动时( )![]()
| A.电压表V的读数变小 |
| B.电压表V的读数变大 |
| C.电流表A的读数变小 |
| D.电流表A的读数变大 |
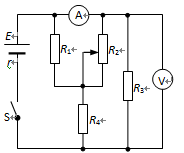
(2012年2月河北省衡水中学下学期一调考试)如图所示电路中,电源内电阻为r,R1、R3、R4均为定值电阻,电表均为理想电表。闭合电键S,将滑动变阻器R2的滑片向上滑动,电流表和电压表示数变化量的大小分别为DI、DU,下列结论中正确的是( )![]()
| A.电流表示数变大 | B.电压表示数变大 |
| C.>r | D.<r |
(2012年2月济南检测)如图所示,闭合开关S后,A灯与B灯均发光,当滑动变阻器的滑片P向左滑动时,以下说法中正确的是![]()
| A.A灯变亮 |
| B.B灯变亮 |
| C.电源的输出功率可能减小 |
| D.电源的总功率增大 |