如图所示电路中,电源内电阻为r,R1、R3、R4均为定值电阻,电表均为理想电表。闭合电键S,将滑动变阻器R2的滑片向上滑动,电流表和电压表示数变化量的大小分别为DI、DU,下列结论中正确的是( )![]()
| A.电流表示数变大 | B.电压表示数变大 |
| C.>r | D.<r |
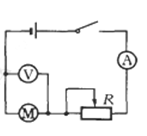
在研究微型电动机的性能时,应用如图所示的实验电路。电动机内阻为4Ω,调节R使电动机正常运转,此时电流表和电压表的示数分别为2A和24V。则这台电动机正常运转时输出功率为![]()
| A.32W | B.44W | C.47W | D.48W |
如图所示的电路中,R1、R2、R3、R4皆为定值电阻。R5为半导体材料制成的热敏电阻,温度降低,电阻变大。电源的电动势为E,内阻为r,电流表
的读数为I,电压表的读数为U,当环境温度升高时。则:
| A.I变小U变小 | B.I变小U变大 |
| C.I变大U变大 | D.I变大U变小 |
如图所示电路中,电压表、电流表都是理想电表,若仅电阻R1断路,则两电表的示数变化情况为( )![]()
| A.两电表示数都变小 |
| B.两电表示数都变大 |
| C.电流表示数变大,电压表示数变小 |
| D.电流表示数变小,电压表示数变大 |
中船重工第七一八研究所研制了用于监测瓦斯浓度的传感器,它的电阻随瓦斯浓度的变化而变化。在如图所示的电路中,不同的瓦斯浓度对应着传感器的不同电阻,这样,显示仪表的指针就与瓦斯浓度有了对应关系,观察仪表指针就能判断瓦斯是否超标。该瓦斯传感器电阻的倒数与瓦斯的浓度c成正比,则电压表示数U与瓦斯浓度c之间的对应关系正确的是![]()
| A.U越大,表示c越大,c与U成正比 |
| B.U越大,表示c越小,c与U成反比 |
| C.U越大,表示c越大,但是c与U不成正比 |
| D.U越大,表示c越小,但是c与U不成反比 |
如图所示是一实验电路图,在R1的滑动触头由a端滑向b端的过程中,下列表述正确的是 ( )![]()
| A.路端电压变小 |
| B.电流表的示数变大 |
| C.电源内阻消耗的功率变小 |
| D.电路的总电阻变大 |
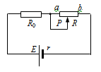
如图所示,电动势为E、内阻为r的电池与定值电阻R0、滑动变阻器R串联,已知R0=r,滑动变阻器的最大阻值是2r。当滑动变阻器的滑片P由a端向b端滑动时,下列说法中正确的是( )![]()
| A.电路中的电流变大 |
| B.电源的输出功率先变大后变小 |
| C.滑动变阻器消耗的功率变小 |
| D.定值电阻R0上消耗的功率先变大后变小 |
. 在图所示的电路中,电阻R =2.0 Ω,电源的内电阻r=1.0 Ω,不计电流表的内阻.闭合开关S后,电流表的示数I=0.5 A,则电源的电动势E等于![]()
| A.1.0 V | B.3.0 V |
| C.2.0 V | D.1.5V |
如图所示,电源电动势为E,内电阻为r,当滑动变阻器的滑片由b向a滑动过程中,下列说法中正确的是:![]()
| A.电阻R两端的电压增大 |
| B.电容器C两端电压减小 |
| C.电容器C上所带的电量增加 |
| D.路端电压增大 |
下图中平行金属板中带电质点P原处于静止状态,不考虑电流表和电压表对电路的影响,当滑动变阻器R4的滑片向b端移动时,则:( )
| A.电压表读数减小 |
| B.电流表读数减小 |
| C.质点P将向上运动 |
| D.R3上消耗的功率逐渐增大 |