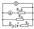
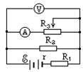
如右图所示是一实验电路图,在滑动变阻器R1的滑片由a端向b端的过程中,下列表述正确的是( )![]()
| A.电流表的示数变大 |
| B.路端电压变小 |
| C.电源内阻消耗的功率变小 |
| D.电路的总电阻变大 |
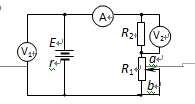
如图所示,是一火警报警期器的一部分电路示意图。其中R2为用半导体热敏材料(其阻值随温度的升高而迅速减小)制成的传感器,电流表A为值班室的显示器,a、b之间接报警器。当传感器R2所在处出现火情时,显示器A的电流I、报警器两端的电压U的变化情况是( )![]()
| A.I变大,U变大 | B.I变小,U变小 |
| C.I变小,U变大 | D.I变大,U变小 |
如图所示的电路,闭合开关S,当滑动变阻器滑片P向右移动时,下列说法正确的是( )![]()
| A.电流表读数变小,电压表读数变大 |
| B.小电泡L变暗 |
| C.电容器C上电荷量减小 |
| D.电源的总功率变小 |
在如图所示的电路中,电源电动势为E=6V,内电阻r=5Ω,小灯泡甲的规格是“3V,0.3A”。为使小灯泡甲最亮,小灯泡乙应选择 ( )![]()
| A.“3V,0.3A” |
| B.“3V,0.2A” |
| C.“2V,0.1A” |
| D.“6V,1.2A” |
电动势为E、内阻为r的电源与定值电阻R2及滑动变阻器 R1连接成如图电路,当滑动变阻器的触头由中部滑向b端移动时,下列说法正确的是![]()
| A.电压表V1示数变大 |
| B.电流表A示数减小 |
| C.电压表V2示数变大 |
| D.电源消耗的功率减小 |
在如图所示的电路中,E为电源电动势,r为电源内阻,R1和R3均为定值电阻,R2为滑动变阻器。当R2的滑动触点在a端时合上开关S,此时三个电表A1、A2和V的示数分别为I1、I2和U。现将R2的滑动触点向b端移动,则三个电表示数的变化情况是( )![]()
| A.I1增大,I2不变,U增大 |
| B.I1减小,I2增大,U减小 |
| C.I1增大,I2减小,U增大 |
| D.I1减小,I2不变,U减小 |
如图所示,当滑动变阻器的滑动片向右移动时,各电表读数的变化情况是( )![]()
| A.安培表和伏特表读数均增大 | B.安培表和伏特表读数均减小 |
| C.安培表读数变大,伏特表读数变小 | D.安培表读数变小,伏特表读数变大 |
如图,电源电压为30V,内电阻不计,一个“6V,12W”的电灯与一个绕线电阻为2Ω的电动机M串联接入电路.已知电路中电灯正常发光,则电动机输出的机械功率为( )![]()
| A.40W | B.44W | C.48W | D.60W |
在图示的电路中,电源内阻r不可忽略,开关S闭合后,当可变电阻R的滑动片P向向上移动时,关于电路中相关参量变化的判断中正确的是:![]()
| A.AB两点间的电压减小 | B.AB两点间的电压增大 |
| C.通过可变电阻R的电流增大 | D.通过可变电阻R的电流减少 |