电动势为E、内阻为r的电源与定值电阻R1、R2 电容C及滑动变阻器R连接成如图所示的电路。当滑动变阻器的触头由中点向上滑动到某一位置时( AD )
| A.电压表读数减小,电流表读数增大 |
| B.电压表和电流表读数都增大 |
| C.电容器的带电量增加 |
| D.电容器的带电量减少 |
一太阳能电池板,测得它的开路电压为800 mV,短路电流为400 mA,若将该电池板与一阻值为1.2Ω的电阻器连成一闭合电路,则它的路端电压是?
| A.0.10 V | B.0.20 V? |
| C.0.30 V | D.0.40 V? |
用伏特表(非理想电表)测得电池两端电压为U,若电池电动势为E,则
| A.U=E | B.U>E |
| C.U<E | D.无法确定 |
如图所示电路中,当滑动变阻器R的触头向右滑动时,![]()
| A.R上电流一定变大 |
| B.R上电流一定变小 |
| C.R上电压一定变大 |
| D.R上电压一定变小 |
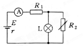
NTC热敏电阻器即负温度系数热敏电阻器,也就是指阻值随温度的升高而减小的电阻。负温度系数的热敏电阻R 2接入如图所示电路中,R1为定值电阻, L为小灯泡,当温度降低时(不考虑灯泡和定值电阻阻值随温度变化)( )
| A.小灯泡变亮 | B.小灯泡变暗 |
| C.R 1两端的电压增大 | D.电流表的示数增大 |
如图所示电路,电源电动势为E,内阻为r,尺。为光敏电阻(光照强度增加时,其电阻值减小)。现增加光照强度,则下列判断正确的是![]()
| A.B灯变暗,A灯变亮 | B.R两端电压变大 |
| C.电源路端电压不变 | D.电源总功率不变 |
、如右图所示电源电动势为ε、内电阻为r。调整电路的可变电阻R的阻值,使电压表V的示数增大ΔU,在这个过程中 ( )![]()
| A.通过R1的电流增加,增加量一定等于ΔU/R1 |
| B.R2两端的电压减小,减少量一定等于ΔU |
| C.通过R2的电流减小,减少量一定等于ΔU/R2 |
| D.路端电压增加,增加量一定等于ΔU |