如图所示的电路中,电池的电动势为E,内阻为r,电路中的电阻R1、R2和R3为定值电阻。在电键S1处于闭合状态下,若将电键S2由位置1切换到位置2,则![]()
| A.电压表的示数变大 |
| B.电池内部消耗的功率变大 |
| C.电阻R3的功率变小 |
| D.电池的效率变大 |
如图所示的电路,L1、 L2和L3为三个相同的灯泡,灯泡电阻大于电源内阻,当变阻器R的滑片P向左移动时,下列说法中正确的是( )![]()
| A.L1、L3两灯变亮,L2灯变暗 |
| B.L2灯中电流变化值小于L3灯中电流变化值 |
| C.电源输出功率增大 |
| D.电源的供电效率增大 |
在如图所示的电路中,已知电阻R1的阻值小于滑动变阻器R0的最大阻值。闭合电键S,在滑动变阻器的滑片P由最左端向右滑动的过程中,下列说法中正确的是![]()
| A.电压表V1的示数先变大后变小,电流表A1的示数不变。 |
| B.电压表V1的示数先变小后变大,电流表A1的示数变小。 |
| C.电压表V2的示数先变大后变小,电流表A2的示数先变大后变小。 |
| D.电压表V2的示数先变小后变大,电流表A2的示数先变小后变大。 |
在如图所示的电路中,圈①、②处可以接小灯泡、电压表(为理想电表)。电源电动势ε、内阻r保持不变,定值电阻R1=R2=R3=R4=r,小灯电阻RL=r,下列说法中正确的是( )![]()
| A.要使电源总功率较大,则应该①接电压表,②接小灯泡 |
| B.要使电源输出功率较大,则应该①接小灯泡,②接电压表 |
| C.要使路端电压较大,则应该①接小灯泡,②接电压表 |
| D.要使闭合电路中电源效率较高,则应该②接小灯泡,①接电压表 |
如图所示,电源电动势为E,内阻为r,不计电压表和电流表内阻对电路的影响,当电键闭合后,两小灯泡均能发光,在将滑动变阻器的触片逐渐向右滑动的过程中,下更说法正确的是( )![]()
| A.小灯泡L1、L2均变暗 |
| B.小灯泡L1变亮,小灯泡L2变暗 |
| C.电流表A的读数变小,电压表V的读数变大 |
| D.电流表A的读数变大,电压表V的读数变小 |
如图所示电路,电源内阻不可忽略。开关S闭合后,在变阻器R0的滑动端向下滑动的过程中![]()
| A.电压表与电流表的示数都减小 |
| B.电压表与电流表的示数都增大 |
| C.电压表的示数增大,电流表的示数减小 |
| D.电压表的示数减小,电流表的示数增大 |
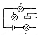
在如图所示的电路中,闭合S,A、B、C三只灯均正常发光,当可变电阻R′的滑动触头上移时,对A、B、C三灯亮度的变化,下列叙述正确的是![]()
| A.A灯变亮 | B.B灯变亮 |
| C.C灯变亮 | D.三灯均变暗 |