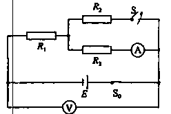
如图,E为内阻不能忽略的电池,R1、R2、R3为定值电阻,S0、S为开关,V与A分别为电压表与电流表。初始时S0与S均闭合,现将S断开,则![]()
| A.V的读数变小,A的读数变小 |
| B.V的读数变小,A的读数变大 |
| C.V的读数变大,A的读数变小 |
| D.V的读数变大,A的读数变大 |
调整如图所示电路的可变电阻R的阻值,使电压表V的示数增大△U,在这个过程中( )![]()
| A.通过R1的电流增加,增加量一定等于 |
| B.R2两端电压减小,减少量一定等于 |
| C.通过R2的电流减小,但减少量一定等于: |
| D.路端电压增加,增加量一定等于 |
如图所示,直线A为电源的U—I图线,直线B为电阻R的U—I图线,用该电源和电阻组成闭合电路时,电源的输出功率和电路的总功率分别是( )![]()
| A.4 W、8 W | B.2 W、4 W |
| C.4 W、6 W | D.2 W、3 W |
如图所示,电源电动势为E,内阻为r,R0为定值电阻,R为可变电阻,且其总阻值R>R-0+r,则当可变电阻的滑动触头由A向B移动时( )
| A.电源内部消耗的功率越来越大,电源的供电效率越来越低 |
| B.R、R0上功率均越来越大 |
| C.R0上功率越来越大,R上功率先变大后变小 |
| D.R-0上功率越来越大,R上功率先变小后变大 |
在如图所示的U-I图象中,直线Ⅰ为某一电源的路端电压与电流的关系图象,直线Ⅱ为某一电阻R的伏安特性曲线。用该电源直接与电阻R相连组成闭合电路。则![]()
| A.电源的电动势为3V |
| B.电源的内阻为2Ω |
| C.电阻R的阻值为0.5Ω |
| D.电路消耗的总功率为6W |
在如图所示的电路中,当滑动变阻器的滑片向b端移动时![]()
| A.电压表的读数增大,电流表的读数减小 |
| B.电压表和电流表的读数都增大 |
| C.电压表和电流表的读数都减小 |
| D.电压表的读数减小,电流表的读数增大 |