关于闭合电路的性质,以下说法正确的是
| A.电源短路时,输出电流无限大 | B.电源断路时,路端电压无限大 |
| C.外电路电阻越大,输出电流越大 | D.外电路电阻越大,路端电压越大 |
如图所示的电路中,电流表A和电压表V均可视为理想电表,现闭合开关S后,将滑动变阻器滑片P向左移动,下列结论正确的是( )![]()
| A.电流表A的示数变小 |
| B.电压表V的示数变大 |
| C.小灯泡L变亮 |
| D.电容器C上电荷量减小 |
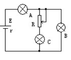
如图所示电路中,A、B两灯均正常发光,R为一滑动变阻器,P为滑动片,若将滑动片向下滑动,则( )![]()
| A.A灯变亮 |
| B.B灯变亮 |
| C.R1上消耗功率变太 |
| D.总电流变小 |
如图所示电路,电源内阻不可忽略。开关S闭合后,在变阻器R0的滑动端向下滑动的过程中![]()
| A.电压表与电流表的示数都减小 |
| B.电压表与电流表的示数都增大 |
| C.电压表的示数增大,电流表的示数减小 |
| D.电压表的示数减小,电流表的示数增大 |
若用E表示总电动势,U表示外电压,U/表示内电压,R表示外电路总电阻,r表示内电阻,I表示总电流强度,考察下列各关系式
⑴U/=IR ⑵U /=E-U ⑶E=U+Ir ⑷I=E/(R+r) ⑸U=ER/(R+r) ⑹U=E+Ir
上述关系式中成立的是( )
| A.⑴⑵⑶⑷ | B.⑵⑶⑷⑸ | C.⑶⑷⑸⑹ | D.⑴⑶⑸⑹ |
有一种测量人体重的电子秤,其原理图如图7-2-18中的虚线所示,它主要由三部分构成:踏板、压力传感器R(是一个阻值可随压力大小而变化的电阻器)、显示体重的仪表G(实质是理想电流表).设踏板的质量可忽略不计,已知理想电流表的量程为3 A,电源电动势为12 V,内阻为2 Ω,电阻R随压力变化的函数式为R=30-0.02F(F和R的单位分别是N和Ω).下列说法正确的是( )![]()
| A.该秤能测量的最大体重是1 400 N |
| B.该秤能测量的最大体重是1 300 N |
| C.该秤零刻度线(即踏板空载时的刻度线)应标在电流表G刻度盘0.375 A处 |
| D.该秤零刻度线(即踏板空载时的刻度线)应标在电流表刻度盘0.400 A处 |
如图所示的电路,L1、 L2和L3为三个相同的灯泡,灯泡电阻大于电源内阻,当变阻器R的滑片P向左移动时,下列说法中正确的是( )![]()
| A.L1、L3两灯变亮,L2灯变暗 |
| B.L2灯中电流变化值小于L3灯中电流变化值 |
| C.电源输出功率增大 |
| D.电源的供电效率增大 |
压敏电阻的阻值R随所受压力的增大而减小,某兴趣小组利用压敏电阻设计了判断电梯运动状态的装置,其装置示意图如图甲所示.将压敏电阻平放在电梯内,受压面朝上,在上面放一物体A,电梯静止时电压表示数为U0,电梯在某次运动过程中,电压表的示数变化情况如图乙所示,下列判断中正确的是( )![]()
| A.电梯如果做匀速下降电压表示数应小于U0 |
| B.电梯如果做匀加速上升,上升过程中电压表示数应不变 |
| C.乙图表示电梯可能减速上升 |
| D.乙图表示电梯可能在减速下降,且加速度减小 |