根据 “十二五”规划,某市的太阳能光伏产业将得到飞跃式发展。现有一太阳能电池板,测得它的开路电压为900mV,短路电流为30mA,若将该电池板与一阻值为60
的电阻器连成一闭合电路,则它的路端电压是( )
| A.0.10V | B.0.20V | C.0.40V | D.0. 60V |
电动势为E、内阻为r的电源与定值电阻R1、R2及滑动变阻器R连接成如图所示的电路。当滑动变阻器的触头由中点滑向b端时
| A.电压表读数减小,电流表读数增大 |
| B.电压表读数增大,电流表读数减小 |
| C.电压表和电流表读数都减小 |
| D.电压表和电流表读数都增大 |
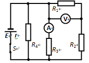
如图所示的电路中,电源内阻不能忽略,电流表和电压表均为理想电表,下列说法中正确的是![]()
| A.若R1短路,电流表示数变小,电压表示数为零 |
| B.若R2短路,电流表示数变小,电压表示数变大 |
| C.若R3断路,电流表示数为零,电压表示数变大 |
| D.若R4断路,电流表示数变小,电压表示数变大 |
如图所示电路中,当变阻器R的滑动片P向下滑动时,电压表V和电流表A的示数![]()
| A.V和A的示数都减小 |
| B.V和A的示数都增大 |
| C.电源的输出功率变大 |
| D.V示数减小、A示数增大 |
在图所示的电路中,电源电动势为E、内电阻为r。在滑动变阻器的滑动触头P从图示位置向下滑动的过程中:( )![]()
| A.路端电压变大 |
| B.电路中的总电流变大 |
| C.通过电阻R2的电流变小 |
| D.通过滑动变阻器R1的电流变小 |
如图,电源内阻不能忽略,电流表和电压表均为理想电表,R1=R2<R3<R4,下列说法中正确的是:( )![]()
| A.若R2短路,电流表示数变小,电压表示数变大 |
| B.若R2断路,电流表示数变大,电压表示数为零 |
| C.若R1断路,电流表示数变小,电压表示数变小 |
| D.若R4断路,电流表示数变小,电压表示数变大 |
电动势为E、内阻为r的电源与定值电阻R1、R2及滑动变阻器R连接成如图所示的电路。当滑动变阻器的触头由中点滑向b端时![]()
| A.电压表读数减小,电流表读数增大 |
| B.电压表读数增大,电流表读数减小 |
| C.电压表和电流表读数都减小 |
| D.电压表和电流表读数都增大 |
如图所示电路中,当变阻器R的滑动片P向下滑动时,电压表V和电流表A的示数 ( )![]()
| A.V和A的示数都减小 |
| B.V和A的示数都增大 |
| C.电源的输出功率变大 |
| D.V示数减小、A示数增大 |
如图所示,电源电动势为E,内阻为r。电路中的R2、R3分别为总阻值一定的滑动变阻器,R0为定值电阻,R1为光敏电阻(其电阻随光照强度增大而减小)。当电键S闭合时,电容器中一带电微粒恰好处于静止状态。有关下列说法中正确的是![]()
| A.只逐渐增大R1的光照强度,电阻R0消耗的电功率变大,电阻R3 中有向上的电流 |
| B.只调节电阻R3的滑动端P2向上端移动时,电源消耗的功率变大,电阻R3中有向上的电流 |
| C.只调节电阻R2的滑动端P1向下端移动时,电压表示数变大,带电微粒向下运动 |
| D.若断开电键S,电容器所带电荷量变大,带电微粒向上运动 |
在如图所示的电路中,闭合S,A、B、C三只灯均正常发光,当可变电阻R′的滑动触头上移时,对A、B、C三灯亮度的变化,下列叙述正确的是![]()
| A.A灯变亮 | B.B灯变亮 |
| C.C灯变亮 | D.三灯均变暗 |