关于电源的电动势,下列说法中正确的是
| A.电源两极间的电压在数值上等于电源的电动势 |
| B.电动势越大的电源,将其他形式的能转化为电能的本领越大 |
| C.电源的电动势在数值上等于内、外电压之和 |
| D.电源的电动势与外电路的组成是无关的 |
在图所示电路中,A、B间的电压保持一定,UAB=6V,电阻R1=R2=4Ω,R3=2Ω。那么( )![]()
| A.开关S断开时,R3两端电压是3V |
| B.开关S接通时,R3通过的电流是1.5A |
| C.开关S断开时,R1通过的电流是0.75A |
| D.开关S接通时,R1两端电压是4V |
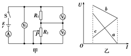
在如图甲所示电路中,闭合电键S,当滑动变阻器的滑动触头P向下滑动的过程中,四个理想电表的示数都发生变化.图乙中三条图线分别表示了三个电压表示数随电流表示数变化的情况.以下说法错误的是( )![]()
| A.图线a表示的是电压表V3的示数随电流表示数变化的情况 |
| B.图线c表示的是电压表V2的示数随电流表示数变化的情况 |
| C.此过程中电压表V1示数的变化量ΔU1和电流表示数变化量ΔI的比值变大 |
| D.此过程中电压表V3示数的变化量ΔU3和电流表示数变化量ΔI的比值不变 |
关于电动势,正确的说法是( )
| A.电源的电动势等于电源的输出电压 |
| B.电源的电动势数值上等于电场力把单位正电荷沿闭合电路移动一周所做的功 |
| C.电动势相等的大小不同的电池,它们把化学能转化为电能的本领相同 |
| D.电动势相等的大小不同的电池,在单位时间内把化学能转化为电能的数值相同 |
如图所示,电源电动势E=3.2 V,电阻R=30 Ω,小灯泡L的额定电压UL=3.0 V,额定功率PL=4.5 W.当开关S接1时,电压表的读数为3 V,则当开关S接2时,灯泡发光的情况![]()
![]()
| A.很暗,甚至不亮 |
| B.正常发光 |
| C.比正常发光略亮 |
| D.有可能被烧坏 |
如图所示,U-I图象上a、b、c各点均表示该电路中一个确定的工作状态,且α=β.下列说法正确的是( )![]()
| A.在b点时,电源有最大的输出功率 |
| B.在b点时,电源的总功率最大 |
| C.从a→b的过程中,电源的总功率和输出功率都将增大 |
| D.从b→c的过程中,电源的总功率和输出功率都将减小 |
电动势为E,内阻为r的电源与定值电阻R1、R2及滑动变阻器R连接成如图所示的电路,当滑动变阻器的触头由中点滑向b端时,下列说法正确的是:( )![]()
| A.电压表和电流表读数都增大 |
| B.电压表和电流表读数都减小 |
| C.电压表读数增大,电流表读数减小 |
| D.电压表读数减小,电流表读数增大 |
如图所示,电源的电动势为E,内电阻为r外电路接有定值电阻R1和滑动变阻器R,合上开关S,当滑动变阻器的滑动头P从R的最左端移到最右端的过程中,下述说法正确的是( )
| A.电压表读数一定变大 |
| B.电压表读数一定变小 |
| C.R1消耗的功率一定变大 |
| D.整个电路消耗的功率一定变大 |