如图,电源内阻不能忽略,电流表和电压表均为理想电表,R1=R2<R3<R4,下列说法中正确的是:( )![]()
| A.若R2短路,电流表示数变小,电压表示数变大 |
| B.若R2断路,电流表示数变大,电压表示数为零 |
| C.若R1断路,电流表示数变小,电压表示数变小 |
| D.若R4断路,电流表示数变小,电压表示数变大 |
在如图所示的电路中,电源电动势为E,内电阻为r,C为电容器,R0为定值电阻,R为滑动变阻器.开关闭合后,灯泡L能正常发光。当滑动变阻器的滑片向右移动时,下列判断正确的是![]()
| A.灯泡L将变暗 |
| B.灯泡L将变亮 |
| C.电容器C的电荷量将减小 |
| D.电容器C的电荷量将增大 |
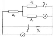
如图,E为内阻不能忽略的电池,R1、R2、R3为定值电阻,S0、S为开关,V与A分别为电压表与电流表。初始时S0与S均闭合,现将S断开,则![]()
| A.V的读数变小,A的读数变小 |
| B.V的读数变小,A的读数变大 |
| C.V的读数变大,A的读数变小 |
| D.V的读数变大,A的读数变大 |
滑动变阻器是直流电路中的常用元件,一般用来调节电路中的电压和电流。右图甲所示是伏安法测电阻的电路图,右图乙是测电源电动势和内阻的电路图,在这两个图中滑动变阻器都采用了限流接法。关于这两个电路选用的滑动变阻器,下列说法正确的是
| A.在两个电路中,滑动变阻器阻值都是越大越好 |
| B.在两个电路中,滑动变阻器阻值都是越小越好 |
| C.在甲图中,滑动变阻器阻值应比待测电阻略大或相差不多 |
| D.在乙图中,滑动变阻器阻值不能太小,其具体阻值与待测电源的电动势及允许通过的电流有关 |
在右图所示的电路中,电源电动势为E,内电阻不能忽略。闭合S后,调整R的阻值,使电流表的示数增大ΔI,在这一过程中 ( )![]()
| A.通过R的电流增大,增加量大于ΔI |
| B.通过R1的电流减小,减小量一定为ΔI |
| C.R2两端的电压增大,增加量为ΔIR2 |
| D.R1两端电压减小,减小量小于ΔIR2 |
有两个电阻R1=1Ω、R2=3Ω,有一电源电动势E=3.0V,内阻r=1Ω,下列接法使电源的内电阻消耗功率最大的是( )
| A.将R1、R2串联后接到电源两端 |
| B.将R1、R2并联后接到电源两端 |
| C.将R1单独接到电源两端 |
| D.将R2单独接到电源两端 |
据报道,“神舟”八号飞船将2011年下半年发射。它是一个无人目标飞行器,为中国的空间站作对接准备,也是中国神舟系列飞船进入批量生产的代表。“神舟”飞船上的太阳能电池是依靠光伏效应设计的单晶硅太阳能电池。在正常照射下,太阳能电池的光电转换效率可达24%。单片单晶硅太阳能电池可产生0.6V的电动势,可获得0.1A的电流,则每秒照射到这种太阳能电池上的太阳光的能量是 ( )
| A.0.24J | B.0.25J |
| C.0.26J | D.0.28J |
如图所示,闭合电键S后,滑动变阻器的滑动触头由a端向b端移动的过程中,下列说法正确的是( )![]()
| A.电压表的读数减少,小灯L变亮 |
| B.电压表的读数减少,小灯L变暗 |
| C.电压表的读数增大,小灯L变亮 |
| D.电压表的读数增大,小灯L变暗 |
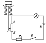
如图所示电路中,当变阻器R的滑动片P向上滑动时,电压表V和电流表A的示数变化情况是 ( )![]()
| A.V和A的示数都增大 | B.V和A的示数都减小 |
| C.V示数增大、A示数减小 | D.V示数减小、A示数增大 |