电动势为E、内阻为r的电源,与定值电阻
R1、R2、R3连接成如图4所示的电路。
当开关S闭合时 ( ) ![]()
| A.电压表和电流表的示数均减小 |
| B.电压表和电流表的示数均增大 |
| C.电压表的示数减小,电流表的示数增大 |
| D.电压表的示数增大,电流表的示数减小 |
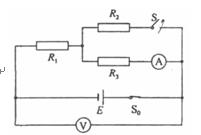
如图,E为内阻不能忽略的电池,R1、R2、R3为定值电阻,S0、S为开关,V与A分别为电压表与电流表。初始时S0与S均闭合,现将S断开,则![]()
| A.V的读数变大,A的读数变小 |
| B.V的读数变大,A的读数变大 |
| C.V的读数变小,A的读数变小 |
| D.V的读数变小,A的读数变大 |
如图所示,甲、乙为两个独立电源的路端电压与通过它们的电流I的关系图象,下列说法中正确的是 ( )![]()
| A.路端电压都为U0时,它们的外电阻相等, |
| B.电流都是I0时,两电源的内电压相等 |
| C.电源甲的电动势小于电源乙的电动势 |
| D.电源甲的内阻小于电源乙的内阻 |
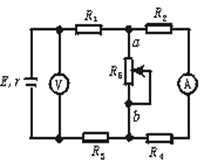
在如图所示的电路中,R1、R2、R3和R4皆为定值电阻,R5为可变电阻,电源的电动势为E,内阻为r0,设电流表A的读数为I,电压表V的读数为U0,当R5的滑动触点向图中a端移动时, ( )![]()
| A.I变大,U变小? | B.I变大,U变大? |
| C.I变小,U变大? | D.I变小,U变小? |
如图所示为某一闭合电路的路端电压U - I曲线,由图可知
| A.电源电动势为2.0 V |
| B.电源内阻为1/3Ω |
| C.电源短路时电流为6.0A |
| D.电路路端电压为1.0 V时,电路中电流为5.0 A |
如图所示的电路中,电源电动势为E、内电阻为r.在滑动变阻器R1的滑动触片P从图示位置向下滑动的过程中![]()
| A.电路中的总电流变大 | B.路端电压变大 |
| C.通过电阻R2的电流变小 | D.通过滑动变阻器R1的电流变小 |
在图所示的电路中,电源电动势为E、内电阻为r.在滑动变阻器的滑动触片P从图示位置向下滑动的过程中( )![]()
| A.电路中的总电流变大 | B.路端电压变大 |
| C.通过电阻R2的电流变小 | D.通过滑动变阻器R1的电流变小 |
如图所示的电路中,电源的电动势E和内电阻r恒定不变,电灯L恰能正常发光,如果变阻器的滑片向b端滑动,则( )![]()
| A.电灯L更亮,安培表的示数减小 |
| B.电灯L更亮,安培表的示数增大 |
| C.电灯L变暗,安培表的示数减小 |
| D.电灯L变暗,安培表的示数增大 |
如图甲所示为分压器电路图,已知电源电动势为E,内阻不计,变阻器总电阻为R0=50Ω,闭合开关S后,负载电阻RL两端电压U随变阻器a端至滑动触头间的电阻RX的变化而改变。当负载电阻为20Ω时,关于负载电阻两端的电压U随RX变化的图线大致接近图乙中的哪条曲线,下列说法中正确的是 ![]()
| A.大致接近曲线1 |
| B.大致接近曲线2 |
| C.大致接近曲线3 |
| D.大致接近曲线4 |