关于电动势,下列说法正确的是( )
| A.电源两极间的电压等于电源电动势 |
| B.电动势越大的电源,将其他形式的能转化为电能的本领越大 |
| C.电源的电动势就是接在电源两极间的电压表测得的电压 |
| D.同一电源接入不同的电路,电动势就会发生变化 |
电动机线圈的电阻为R,电动机正常工作时,两端电压为U,通过电流为I,工作时间为t,下列说法中正确的是 ( )
| A.电动机消耗的电能为U²t/R | B.电动机消耗的电能为I²Rt |
| C.电动机线圈生热为I²Rt | D.电动机线圈生热为U²t/R |
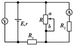
电动势为E、内阻为r的电源与定值电阻R1、R2及滑动变阻器R连接成如图所示的电路.当滑动变阻器的滑片由中点滑向b端时,下列说法正确的是( )![]()
| A.电压表和电流表读数都增大 |
| B.电压表和电流表读数都减小 |
| C.电压表读数增大,电流表读数减小 |
| D.电压表读数减小,电流表读数增大 |
如图所示,电流表、电压表均为理想电表,L为小电珠,R为滑动变阻器,电源电动势为E,内阻为r。现将开关S闭合,当滑动变阻器滑片P向左移动时,下列结论正确的是( )![]()
| A.电流表示数变小 |
| B.电压表示数变大 |
| C.小电珠L变亮 |
| D.电容器所带的电荷量减小 |
一个电动势为E、内阻为r的电池,接上负载电阻R,构成闭合电路,下列说法正确的是:
| A.当R=r时,路端电压U=E/2 | B.当R=0时,路端电压U=E |
| C.当R=r时,电源输出功率最大 | D.当R=r时,电源的效率为50% |
如图所示的电路中,电源电动势为E,内阻为R,L1和L2为相同的灯泡,每个灯泡的电阻和定值电阻相同,阻值均为R,电压表为理想电表,K为单刀双掷开关,当开关由1位置打到2位置时![]()
| A.电压表读数将变大 | B.L1亮度不变,L2将变亮 |
| C.L1将变亮,L2将变暗 | D.电源的发热功率将变大 |
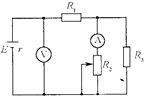
在如图所示的电路中,电源的内阻不为零,A、B为两个完全相同的灯泡。在变阻器的滑动头P向D端滑动的过程中( )![]()
A. A灯变亮,B灯变暗 B. A灯变暗,B灯变亮
C. A、B灯均变亮 D. A、B灯均变暗
如图所示是一实验电路图,在滑动触头由a端滑向b端的过程中,下列表述正确的是( )![]()
| A.路端电压变小 | B.电流表的示数变大 |
| C.电源内阻消耗的功率变小 | D.电路的总电阻变大 |