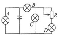
如图所示电路中,a、b、c三只小灯泡均发光,当把变阻器R的滑动片P向下滑动时,三只灯泡的明暗变化是( )![]()
| A.a、b灯变暗,c灯变亮 |
| B.a、c灯变暗,b灯变亮 |
| C.a、b、c灯都变暗 |
| D.a灯变暗,b、c灯变亮 |
电路中路端电压U随干路电流I变化的关系,如图所示,则电源的电动势E和内电阻r分别是![]()
| A.E=1.0V,r=5.0Ω |
| B.E=1.0V,r=2.5Ω |
| C.E=2.0V,r=5.0Ω |
| D.E=2.0V,r=2.5Ω |
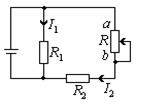
图中A为理想电流表,V1和V2为理想电压表,R1定值电阻,R2为可变电阻,电池的电动势E内阻r,则:![]()
| A.R2不变时,V1读数与A读数之比等于R1 |
| B.R2不变时,V1读数与A读数之比等于R2 |
| C.R2改变一定量时,V2读数的变化量与A读数的变化量之比的绝对值等于R1+r |
| D.R2改变一定量时,V1读数的变化量与A读数的变化量之比的绝对值等于R1 |
关于电动势,下列说法正确的是
| A.电源不接入电路时两极间的电压等于电源电动势 |
| B.电动势越大的电源,将其他形式的能转化为电能的本领越大 |
| C.电源电动势数值等上于内、外电压之和 |
| D.电源电动势与外电路的组成有关 |
在如图的电路中当滑动变阻器的滑片P由a端向b端移动时,下列说法中正确的是( )![]()
| A.电压表的读数变小,电流表的读数变大 |
| B.电压表的读数变大,电流表的读数变小 |
| C.电压表和电流表的读数都变大 |
| D.电压表和电流表的读数都变小 |