电源的电动势和内电阻都保持一定,在外电路的电阻逐渐变小的过程中,下面说法正确的
是( )
| A.路端电压一定逐渐变小 | B.电源的输出功率一定逐渐减小 |
| C.电源内部消耗的电功率一定逐渐变大 | D.电源的输出电流一定变大 |
如图所示,电源电动势E=8V,内阻不为零,电灯A标有“10V,10W”字样,电灯B标有“8V,20W”字样,滑动变阻器的总电阻为6Ω,当滑动触头P由a端向b端滑动的过程中(不考虑电灯电阻的变化)( )![]()
| A.电流表的示数一直增大,电压表的示数一直减小 |
| B.电流表的示数一直减小,电压表的示数一直增大 |
| C.电流表的示数先增大后减小,电压表的示数先减小后增大 |
| D.电流表的示数先减小后增大,电压表的示数先增大后减小 |
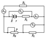
如图所示,图中的四个电表均为理想电表,当滑动变阻器滑动触点P向右端移动时,下面说法中正确是 ( )![]()
| A.伏特表V1的读数减小,安培表A1的读数减小 |
| B.伏特表V1的读数增大,安培表A1的读数增大 |
| C.伏特表V2的读数减小,安培表A2的读数增大 |
| D.伏特表V2的读数增大,安培表A2的读数减小 |
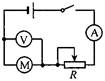
在如图所示的实验电路中,当滑动变阻器R0的滑动触头向右端滑动时( )![]()
| A.L1变暗,L2变亮,L3变亮 |
| B.L1变暗,L2变暗,L3变亮 |
| C.L1变暗,L2变暗,L3变暗 |
| D.L1变亮,L2变暗,L3变亮 |
用伏安法测电池1和电池2的电动势
、
以及内阻
和
.由测得的数据在U—I图上分别它们的图线直线1和直线2,如图4所示,由图可以判断:( )![]()
| A. |
| B. |
| C. |
| D. |
如图所示的电路中,当滑动变阻器滑动触头向左滑动时,正确的有 ( )![]()
| A.L1灯泡变亮 | B.L2灯炮变亮 |
| C.电压表读数变大 | D.电流表读数变小 |
如图所示的电路,a、b、c为三个相同的灯泡,灯泡电阻大于电源内阻,当变阻器R的滑片P向上移动时,下列判断中正确的是( )![]()
| A.b灯中电流变化值等于c灯中电流变化值 |
| B.a、b两灯变亮,c灯变暗 |
| C.电源输出功率增大 |
| D.电源的供电效率增大 |
在研究微型电动机的性能时,可采用右图所示的实验电路。当调节滑动变阻器R,使电动机停止转动时,电流表和电压表的示数分别为0.5A和1.0V;重新调节R,使电动机恢复正常运转时,电流表和电压表的示数分别为2.0A和15.0V.则当这台电动机正常运转时( )![]()
| A.电动机的输出功率为8W | B.电动机的输出功率为30W |
| C.电动机的内阻为7.5 | D.电动机的内阻为2 |
如右图所示电路,已知电池组的总内电阻r=1Ω,外电路电阻R=5Ω,电压表的示数U=2.5V,则电池组的电动势E为( )![]()
| A.2.0V | B.2.5V | C.3.0V | D.3.5V |
如图所示,灯泡A、B都能正常发光,后来由于电路中某个电阻发生断路,致使灯泡A比原来亮一些,B比原来暗一些,则断路的电阻是[ ]![]()
| A.R1 | B.R2 |
| C.R3 | D.R4 |