如图所示,直线OAC为某一直流电源的总功率P总随电流I变化的图线,抛物线OBC为该电源内部热功率Pr随电流I变化的图线,则根据图线可知![]()
| A.电源电动势为6V |
| B.电源内阻为1.5W |
| C.当电路中电流为1A时,外电路电阻为1.5W |
| D.在O®C过程中,电源输出功率不变 |
小刚利用电能表测某家用电器的电功率.当电路中只有这个用电器工作时,测得在15min内,消耗电能0.3 KW·h,这个用电器可能是
| A.空调器 | B.电冰箱 | C.电视机 | D.收音机 |
在某控制电路中,需要连成如图所示的电路,主要由电动势为E、内阻为r的电源与定值电阻R1、R2及电位器(滑动变阻器)R连接而成,L1、L2是红绿两个指示灯,当电位器的触头由弧形碳膜的中点逆时针滑向a端时,下列说法中正确的是( )![]()
| A.L1、L2两个指示灯都变亮 |
| B.L1、L2两个指示灯都变暗 |
| C.L1变亮,L2变暗 |
| D.L1变暗,L2变亮 |
在研究微型电动机的性能时,可采用图示的实验电路.当调节滑动变阻器R,使电动机停止转动时,电流表和电压表的示数分别为0.5 A和1.0 V;重新调节R,使电动机恢复正常运转时,电流表和电压表的示数分别为2.0 A和15.0 V.则有关这台电动机正常运转时的说法正确的是( )![]()
| A.电动机的输出功率为8 W |
| B.电动机的输出功率为30 W |
| C.电动机的内电阻为2 Ω |
| D.电动机的内电阻为7.5 Ω |
某型号手机电池的背面印有如图所示的一些符号,另外在手机使用说书上还写有“通话时间3 h,待机时间100 h”.则该手机通话和待机时消耗的功率分别约为( )![]()
| A.1.8 W,5.4×10-2 W |
| B.0.6 W,1.8×10-2 W |
| C.3.6 W,0.108 W |
| D.6.48×103 W,1.94×102 W |
如图所示为用热敏电阻R和继电器L等组成的一个简单的恒温控制电路,其中热敏电阻的阻值会随温度的升高而减小.电源甲与继电器?热敏电阻等组成控制电路,电源乙与恒温箱加热器(图中未画出)相连接.则( )![]()
| A.当温度降低到某一数值,衔铁P将会被吸下 |
| B.当温度升高到某一数值,衔铁P将会被吸下 |
| C.工作时,应该把恒温箱内的加热器接在C?D端 |
| D.工作时,应该把恒温箱内的加热器接在A?B端 |
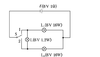
某同学设计了一个转向灯电路,其中L为指示灯,L1?L2分别为左?右转向灯,S为单刀双掷开关,E为电源.当S置于位置1时,以下判断正确的是( )![]()
| A.L的功率小于额定功率 |
| B.L1亮,其功率等于额定功率 |
| C.L2亮,其功率等于额定功率 |
| D.含L支路的总功率较另一支路的大 |
(4分)下表为某电热水壶铭牌上的一部分内容. 根据表中的信息,可计算出该电热水壶在额定电压下以额定功率工作时的电流约为( )
| 型 号 | SC-150B | | 额定功率 | 1500W |
| 额定电压 | 220V | 额定容量 | 1.5L |
A.1.67A B.3.25A C. 6.82A D.9.51A
如图8所示,电阻R1=20 Ω,电动机内阻的阻值R2=10 Ω.当开关打开时,电流表的示
数是I0=0.5 A,当开关合上后,电动机转动起来,电路两端的电压不变,电流表的示数I和电路消耗的电功率P应是 ( )![]()
| A.I=1.5 A | B.I<1.5 A |
| C.P=15 W | D.P<15 W |
把标有“220 V,100 W”的A灯和“220 V,200 W”的B灯串联起来,接入220 V的电路中,不计导线电阻,则下列判断中正确的是 ( )
| A.两灯的电阻之比RA∶RB=2∶1 |
| B.两灯的实际电压之比UA∶UB=2∶1 |
| C.两灯实际消耗的功率之比PA∶PB=1∶2 |
| D.在相同时间内,两灯实际发热之比QA∶QB=1∶2 |