对于连入不同电路的不同灯泡,亮度较大的灯泡一定是( )
| A.通过的电流较大 | B.两端电压较大 | C.电阻较大 | D.消耗电功率较大 |
日常生活用的电吹风中有电动机和电热丝,电动机带动风叶转动,电热丝给空气加热,得到热风可将头发吹干.设电动机线圈的电阻为R1,它与电热丝的电阻R2相串联,接到直流电源上,电吹风两端的电压为U,通过的电流为I,消耗的电功率为P,则以下关系式正确的是( )
| A.UI>P | B.UI=P |
| C.P>I2(R1+R2) | D.P=I2(R1+R2) |
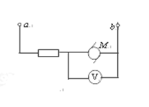
.在如图所示的电路中,定值电阻的阻值为10Ω,电动机M的线圈电阻值为2Ω,a、b两端加有44V的恒定电压,理想电压表的示数为24V,由此可知( )![]()
| A.通过电动机的电流为12A |
| B.电动机消耗的功率为48W |
| C.电动机线圈在1分钟内产生的热量为480J |
| D.电动机输出的功率为8W |
某同学将一直流电源的总功率PE、输出功率PR和电源内部的发热功率Pr随电流I变化的图线画在了同一坐标上,如右图中的a、b、c所示,下面说法正确的是![]()
| A.反映Pr变化的图线是c |
| B.电源电动势为8V |
| C.电源内阻为2Ω |
| D.当电流为0.5A时,外电路的电阻为6Ω |
电动势为E,内阻为r的电源,当它和一标有“6V,3W”的小灯泡构成闭合回路时,小灯泡恰好正常发光。若该电源与一标有“6V,6W”的小灯泡构成一闭合回路,该灯泡
| A.正常发光 | B.比正常发光暗 |
| C.比正常发光亮 | D.因不知电源内阻的大小,故无法确定 |
如图所示,直线A为电源的U-I图线,直线B为电阻R的U-I图线;用该电源和电阻组成的闭合电路,电源输出功率和电路的总功率分别是 ( )![]()
| A.4 W,8 W |
| B.2 W,4 W |
| C.4 W,6 W |
| D.2 W,3 W |
如图,电源电压为30V,内电阻不计,一个“6V,12W”的电灯与一个绕线电阻为2Ω的电动机M串联接入电路.已知电路中电灯正常发光,则电动机输出的机械功率为( )![]()
| A.40W | B.44W | C.48W | D.60W |