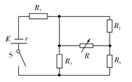
如图所示的电路中,电源电动势为E,内阻为r,R为可变电阻,其余电阻为定值电阻。则开关S闭合后,当R变小时,以下说法正确的是( )![]()
| A.电阻R1的功率变小 |
| B.电阻R2的功率变小 |
| C.电阻R3的功率变大 |
| D.电阻R4的功率变小 |
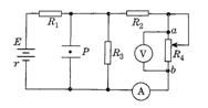
如图所示,平行金属板中带电质点P原处于静止状态,不考虑电流表和电压表对电路的影响,当滑动变阻器R4的滑片向b端移动时,则( )![]()
| A.电流表读数减小 |
| B.电压表读数减小 |
| C.质点P将向上运动 |
| D.R3上消耗的功率逐渐增大 |
直流电动机的电枢电阻为R,电动机正常工作时,两端电压为U,通过电流为I。当直流电动机工作时间为t时,那么下列说法正确的是 ( )
| A.电动机线圈产生的热量为UIt | B.电动机线圈产生的热量为I2Rt |
| C.电动机消耗电能为UIt | D.电动机消耗电能为I2Rt |
一块手机电池的背面印有如图所示的一些参数,另外在手机使用说明书上还写有“通话时间3h,待机时间100h”,如果数据是真实的,则该手机通话时消耗的功率约为 ( ) ![]()
| A.1.8W |
| B.0.6W |
| C.3.6W |
| D.1.2W |
一个电阻接到某电路后,消耗的功率为110W,通过3C的电量时,有330J的电能转化为内能,则( )
| A.电阻所加电压为110V | B.通过电阻的电流为2A |
| C.电阻通电时间为1S | D.这个电阻的阻值为110Ω |
电动自行车具有低噪声、无废气、无油污的环保性,而且它的能源利用率很高。下表为某品牌电动自行车规格及所用电动机的主要技术参数,不计其自身机械损耗。若该车在额定状态下以最大运行速度行驶,则( )
| 自 重 | 40(kg) | 额定电压 | 48(V) | ||
| 载 重 | 75(kg) |
| 12(A) | ||
| 最大运行速度 | 20(km/h) | 额定输出功率 | 350(W) |
③该车获得的牵引力为104N ④该车受到阻力为63N
A.①② B.①④ C.①③ D.②④
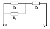
如图所示是测定两个电源的电动势和内电阻实验中得到的电流和路端电压图线。现将两电源分别与一滑动变阻器串联,电源1所在电路中电流为I1,路端电压为U1;电源2所在电路中电流为I2,路端电压为U2。则应有 ( )![]()
| A.当I1=I2时,两电源的总功率相等 |
| B.当I1=I2时,两电源所接的外电阻相等 |
| C.当U1=U2时,电源1的输出功率小于电源2的输出功率 |
| D.当U1=U2时,电源1内部消耗的电功率小于电源2内部消耗的电功率 |
有一只灯泡的灯丝断了,通过转动灯泡灯丝接通,再接入电源后,所发生的现象及其原因是( )
| A.灯丝电阻变小,通过它的电流变大,根据P=I2R,电灯变亮 |
| B.灯丝电阻变大,通过它的电流变小,根据P=I2R,电灯变暗 |
| C.灯丝电阻变小,它两端的电压不变,根据 |
| D.灯丝电阻变大,它两端的电压不变,根据 |