一个T型电路如图所示,电路中的电阻R1=10W,R2=120W,R3=40W。另有一测试电源,电动势为100V,内阻忽略不计,则![]()
| A.当cd端短路时,ab之间的等效电阻是40W |
| B.当ab端短路时,cd之间的等效电阻是40W |
| C.当ab两端接通测试电源时,cd两端的电压为80V |
| D.当cd两端接通测试电源时,ab两端的电压为80V |
一个T型电路如图所示,电路中的电阻R1="10" Ω,R2="120" Ω,R3="40" Ω.另有一测试电源,电动势为100 V,内阻忽略不计.则( )![]()
| A.当cd端短路时,ab之间的等效电阻是40 Ω |
| B.当ab端短路时,cd之间的等效电阻是40 Ω |
| C.当ab两端接通测试电源时,cd两端的电压为80 V |
| D.当cd两端接通测试电源时,ab两端的电压为80 V |
小灯泡通电后其电流I随所加电压U变化的图线如图所示,P为图线上一点,P N为图线的切线,PQ为U轴的垂线,PM为I轴的垂线.则下列说法中正确的是( )![]()
| A.随着所加电压的增大,小灯泡的电阻增大 |
| B.对应P点,小灯泡的电阻为R= |
| C.对应P点,小灯泡的电阻为R= |
| D.对应P点,小灯泡的功率为图中矩形PQOM所围的面积 |
如图所示,厚薄均匀的矩形金属薄片边长ab="10" cm,bc="5" cm,当将A与B接入电压为U的电路中时,电流为1 A;若将C与D接入电压为U的电路中,则电流为( )![]()
| A.4 A | B.2 A | C. | D. |
如图所示是阻值不同的两个电阻的电流随电压变化的图线,那么a、b所示的电阻及这两个电阻串联或并联后图像所在的区域正确的是( )![]()
| A.a表示电阻大的图线,并联后图线在区域Ⅲ |
| B.a表示电阻小的图线,串联后图线在区域Ⅱ |
| C.a表示电阻小的图线,并联后图线在区域Ⅰ |
| D.a表示电阻大的图线,串联后图线在区域Ⅰ |
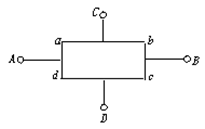
(2010年福建调研)一个T形电路如图7-1-17所示,电路中的电阻R1=10 Ω,R2=120 Ω,R3=40 Ω.另有一测试电源,电动势为100 V,内阻忽略不计.则( )![]()
图7-1-17
| A.当cd端短路时,ab之间的等效电阻是50 Ω |
| B.当ab端短路时,cd之间的等效电阻是50 Ω |
| C.当ab两端接通测试电源时,cd两端的电压为80 V |
| D.当cd两端接通测试电源时,ab两端的电压为80 V |