如图所示的U—I图像中,直线I为某电源的路端电压与电流的关系,直线Ⅱ为某一电阻R的伏安特性曲线,用该电源直接与电阻R连接成闭合电路,由图像可知 ( )![]()
| A.R的阻值为1.5Ω |
| B.电源电动势为3V,内阻为0.5Ω |
| C.电源的输出功率为3.0w |
| D.电源内部消耗功率为1.5w |
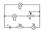
如图所示电路中,三只灯泡原来都正常发光,当滑动变阻器的滑动触头P向右移动时,下面判断正确的是( )![]()
| A.L1和L3变暗,L2变亮 |
| B.LI变暗,L2变亮,L3亮度不变 |
| C.L1中电流变化值大于L3中电流变化值 |
| D.Ll上电压变化值小于L2上的电压变化值 |
对于欧姆定律的理解,下列说法中错误的是( )
| A.由I=U/R,通过电阻的电流强度跟它两端的电压成正比,跟它的电阻成反比 |
| B.由U=IR,对一定的导体,通过它的电流强度越大,它两端的电压也越大 |
| C.由R=U/I,导体的电阻跟它两端的电压成正比,跟通过它的电流强度成反比 |
| D.对一定的导体,它两端的电压与通过它的电流强度的比值保持不变 |
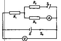
如图,E为内阻不能忽略的电池,R1、R2、R3为定值电阻,S0、S为开关,V与A分别为电压表与电流表。初始时S0与S均闭合,现将S断开,则
| A. A V的读数变小,A的读数变小 |
| B.V的读数变小,A的读数变大 |
| C.V的读数变大,A的读数变小 |
| D.V的读数变大,A的读数变大 |
下列说法正确的是
| A.半导体的导电性能介于导体与绝缘体之间,其电阻随温度升高而增大 |
| B.热敏电阻的特点是温度升高时电阻迅速减小 |
| C.导体中电流无穷大的现象叫超导现象 |
| D.导体的电阻与通过其中的电压和电流有关 |
R1、R2、R3、R4四个电阻的I-U图线如图所示,加上相同电压时消耗电功率最大的是
| A.R1. | B.R2. |
| C.R3. | D.R4. |
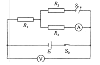
如图,E为内阻不能忽略的电池,R1、R2、R3为定值电阻,S0、S为开关,V与A分别为电压表与电流表。初始时S0与S均闭合,现将S断开,则![]()
| A.V的读数变小,A的读数变小 |
| B.V的读数变小,A的读数变大 |
| C.V的读数变大,A的读数变小 |
| D.V的读数变大,A的读数变大 |
在如图所示的电路中,R1、R2、R3和R4皆为定值电阻,R5为可变电阻,电源的电动势为E,内阻为r.设电流表A的读数为I,电压表V的读数为U.当R5的滑动触点向图中a端移动时 ( ) ![]()
| A.I变大,U变小 | B.I变大,U变大 |
| C.I变小,U变大 | D.I变小,U变小 |
一根粗细均匀的导线,两端加上电压U时,通过导线中的电流强度为I,导线中自由电子定向移动的平均速率为v,若导线均匀拉长,使其半径变为原来的
,再给它两端加上电压U,则( )。
| A.通过导线的电流为 | B.通过导线的电流为 |
| C.自由电子定向移动的平均速率为 | D.自由电子定向移动的平均速率为 |
如图所示电路,电压U保持不变,当开关S断开时,电流表A的示数为0.6A,当开关S闭合时,电流表的示数为0.9A,则两电阻阻值之比R1: R2为( )。![]()
| A.1:2 | B.2:1 | C.2:3 | D.3:2 |