如图所示当可变电阻R的滑片向b端移动时,通过电阻R1、R2、R3的电流强度I1、I2、I3的变化情况是( )![]()
| A.I1 | B.I1,I2变大,I3变小 |
| C.I1变小,I2 ,I3变大 | D.I2变小,I3变大 |
标有“8V 6.4W”和“8V 20W”字样的a、b两只灯泡连接在如图所示的电路中,C点接地.如果将电路中a、b两灯的位置互换,则( )![]()
| A.B点电势提高 | B.B点电势降低 |
| C.a灯变亮 | D.a灯变暗,b灯变亮 |
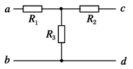
一个T型电路如图所示,电路中的电
, ![]()
.另有一测试电源,电动势为100V,内阻忽略不计。则![]()
| A.当cd端短路时,ab之间的等效电阻是40 | B.当ab端短路时,cd之间的等效电阻是40 |
| C.当ab两端接通测试电源时, cd两端的电压为80 V | |
| D.当cd两端接通测试电源时, ab两端的电压为80 V |
电饭锅工作时有两种状态:一种是锅内水烧开前的加热状态,另一种是锅内水烧开后的保温状态,如图所示是一学生设计的电饭锅电路原理示意图,S是用感温材料制造的开关。下列说法中正确的是![]()
| A.加热状态时是用R1、R2同时加热的 |
| B.当开关S接通时电饭锅为加热状态,S断开时为保温状态 |
| C.要使R2在保温状态时的功率为加热状态时的1/8,R1/R2应为7∶1 |
| D.要使R2在保温状态时的功率为加热状态时的1/8,R1/R2应为(2 |
有一只电熨斗,内部电路如图甲所示,其中M为旋钮内部的接线端子,旋钮有“高”“中”“低”“关”4个挡,这4个挡的内部接线有如图乙所示的4种方式,则下列判断正确的是( )![]()
| A.a方式为“高”档 | B.b方式为“低”档 |
| C.c方式为“关”档 | D.d方式为“中”档 |
一个T型电路如图所示,电路中的电阻R1=10 Ω,R2=120 Ω,R3=40 Ω.另有一测试电源,电动势为100 V,内阻忽略不计.则( )![]()
| A.当cd端短路时,ab之间的等效电阻是40 Ω |
| B.当ab端短路时,cd之间的等效电阻是40 Ω |
| C.当ab两端接通测试电源时,cd两端的电压为80 V |
| D.当cd两端接通测试电源时,ab两端的电压为80 V |
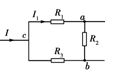
如图所示电路,已知R1=3 kΩ,R2=2 kΩ,R3=1 kΩ,I=10 mA,I1=6 mA,则a、b两点电势高低和通过R2中电流正确的是( )![]()
| A.a比b高,7 mA | B.a比b高,2 mA |
| C.a比b低,7 mA | D.a比b低,2 mA |
如图所示的电路中,闭合电键,灯L1、L2正常发光,由于电路出现故障,突然发现灯L1变亮,灯L2变暗,电流表的读数变小,根据分析,发生的故障可能是![]()
| A.R1断路 | B.R2断路 | C.R3短路 | D.R4短路 |