如图所示的两种电路中,电源相同,各电阻器阻值相等,各电流表的内阻相等且不可忽略不计.电流表A1、A2、A3和A4读出的电流值分别为I1、I2、I3和I4.下列关系式中正确的是( )![]()
| A.I1=I 3 | B.I 1<I 4 | C.I 2=2I 1 | D.I 2<I 3+I 4 |
两个电热器连接如图所示,其中R1=R3=10Ω,R2=R4=40Ω,今将输入端接在电压U的电路中,那么它们功率的关系是( )![]()
| A.P1>P2>P3>P4 | B.P1>P3>P2>P4 |
| C.P2>P1>P3>P4 | D.P4>P3>P2>P |
如图所示电路,电压保持不变,当电键S断开时,电流表A的示数为0.6A,当电键S闭合时,电流表的示数为0.9A,则两电阻阻值之比R1:R2为( )![]()
| A.1:2 | B.2:1 |
| C.2:3 | D.3:2 |
标有“8 V 6.4 W”和“8 V 20 W”字样的L1、L2两只灯泡连接在如图所示的电路中,C点接地.如果将电路中L1、L2两灯的位置互换,则( )![]()
| A.B点电势升高 | B.B点电势降低 |
| C.两灯的亮度不变 | D.L1灯变暗,L2灯变亮 |
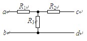
一个T型电路如图所示,电路中的电阻,R1=10Ω,R2=120Ω,R3=40Ω .另有一测试电源,电动势为100V,内阻忽略不计。则![]()
| A.当cd端短路时,ab之间的等效电阻是40 |
| B.当ab端短路时,cd之间的等效电阻是40 |
| C.当ab两端接通测试电源时, cd两端的电压为80 V |
| D.当cd两端接通测试电源时, ab两端的电压为80 V |
两个白炽灯泡,一个标有“220V 100W”,另一个标有“220V 60W”.假如灯丝的电阻不变,先把它们串联起来接到220V电源上,再把它们并联起来接到220V电源上.以下说法正确的是( )
| A.串联比并联消耗的总功率大 |
| B.并联比串联消耗的总功率大 |
| C.串联时60W灯泡消耗的电功率较大 |
| D.并联时100w灯泡消耗的电功率较大 |
三个电阻的阻值之比
,若将这三个电阻并联,则通过它们的电流之
比
为( )
| A.1:2:5 | B.5:2:1 | C.10:5:2 | D.1:1:1 |