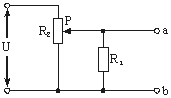
如图所示电路中,当滑动变阻器R3的滑动触头P向b端移动时:( )
| A.电压表示数变大,电流表示数变小 |
| B.电压表示数变大,电流表示数变大 |
| C.电压表示数变小,电流表示数变大 |
| D.电压表示数变小,电流表示数变小 |
如图所示,闭合电键S,灯L1、L2正常发光,由于电路出现故障,突然发现灯L1变暗,电流表读数变小,则故障可能是![]()
| A.R1断路 | B.R2断路 |
| C.R3短路 | D.R4短路 |
如图所示电路中,电源的电动势为E,内阻为r,各电阻阻值如图所示,当滑动变阻器的滑动触头P从a端滑到b端的过程中,下列说法正确的是![]()
| A.电压表的读数U先减小,后增大 |
| B.电流表的读数I先增大,后减小 |
| C.电压表读数U与电流表读数I的比值U/I不变 |
| D.电压表读数的变化量ΔU与电流表读数的变化量ΔI的比值ΔU/ΔI不变 |
如图所示电路中,两灯均不亮,已知电路中只有一处故障,且除两个灯泡外其余部分均完好,在不拆开电路的情况下,某同学用一根导线去查找电路的故障,他将导线先并接在灯L1两端,发现L2亮,L1不亮,然后将导线并接在灯L2两端,发现两灯均不亮,由此可判断![]()
| A.灯L1断路 | B.灯L1短路 |
| C.灯L2断路 | D.灯L2短路 |
如图a、b所示的两个电路中,电阻R、电流表、电压表和电池都是相同的,电池的内阻相对于电阻R的大小可以忽略。闭合开关后,图a、b电路中电压表和电流表的示数Va、Vb和Ia、Ib的大小不相同,它们的关系正确的是:( )![]()
| A.Va<Vb | B.Ia<Ib |
| C.Va/Ia>Vb/Ib | D.Va/Ia<Vb/Ib |
如图所示,闭合电键S,灯L1、L2正常发光,由于电路出现故障,突然发现灯L1变暗,电流表读数变小,则故障可能是( )![]()
| A.R1断路 | B.R2断路 |
| C.R3短路 | D.R4短路 |
硅光电池作为电源已广泛应用于人造卫星、灯塔和无人气象站等,高速公路上安装的“电子眼”通常也采用硅光电池供电.硅光电池的原理如图所示,a、b是硅光电池的两个电极,P、N是两块硅半导体,E区是两块半导体自发形成的匀强电场区,P的上表面镀有一层增透膜.光照射到半导体P上,使P内受原子束缚的电子成为自由电子,自由电子经E区电场加速到达半导体N,从而产生电动势,形成电流.以下说法中正确的是 ( )![]()
| A.E区匀强电场的方向由P指向N |
| B.电源内部的电流方向由P指向N |
| C.a电极为电池的正极 |
| D.硅光电池是一种把化学能转化为电能的装置 |
如图所示,闭合电键S,灯L1、L2正常发光,由于电路出现故障,突然发现灯L1变暗,电流表读数变小,则故障可能是( )![]()
| A.R1断路 | B.R2断路 |
| C.R3短路 | D.R4短路 |