下列说法正确的是( )
| A.一个电阻和一根无电阻的理想导线并联,总电阻为零 |
| B.并联电路的总电阻都大于任一支路的电阻 |
| C.并联电路任一支路的电阻增大(其它支路不变),则总电阻也增大 |
| D.并联电路任一支路的电阻增大(其它支路不变),则总电阻一定减小 |
如右图所示,因线路故障,按通K时,灯L1和L2均不亮,用电压表测得Uab=0,Ubc=0,Ucd=4V.由此可知开路处为 ![]()
| A.灯L1 | B.灯L2 |
| C.变阻器 | D.不能确定 |
如图所示的电路中,开关闭合时,灯L1、L2正常发光。由于电路出现故障,灯L1突然变亮,灯L2变暗,电流表的读数变小。则发生的故障可能是![]()
| A.R1断路 |
| B.R2断路 |
| C.R3断路 |
| D.R4断路 |
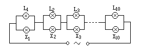
某设备有10个标有“24V、200W”相同的强光灯L1~L10,另有10个标有“220V、2W”相同的指示灯X1~X10,将其连接在220V恒压交流电源上,电路连接如图所示.若工作一段时间后,L2 灯丝烧断,则![]()
| A.X2随之烧坏,其它灯都熄灭 |
| B.X2功率减小,其它灯功率增大 |
| C.X2功率增大,其它强光灯功率减小 |
| D.X2功率接近2W,其它指示灯都熄灭 |
如图所示,把两个相同的灯泡分别接在甲、乙电路中,甲电路两端的电压为8V,乙电路两端的电压为16V。调节变阻器R1和R2使两灯都正常发光,此时变阻器消耗的功率分别为P1和P2,两电路中消耗的总功率分别为
和
则下列关系中正确的是( )
| A. | B. |
| C.P1>P2 | D.P1=P2 |
如下图所示,电阻R1 = R2 = 6Ω,滑动变阻器的总阻值R3 = 12Ω,则A、B间总电阻的取值范围是( )![]()
| A.10~12Ω | B.6~10Ω |
| C.6~12Ω | D.10~18Ω |
把六个相同的小灯泡接成如图甲、乙所示的电路,调节变阻器使灯泡均正常发光,甲、乙两电路所消耗的功率分别用P甲和P乙表示,则下列结论中正确的是![]()
| A.P甲=P乙 | B.P甲>3P乙 |
| C.P乙=3P甲 | D.P乙>3P甲 |
如图所示,四个相同的电流表分别改装成两个安培表和两个伏特表。安培表A1的量程大于A2的量程,伏特表V1的量程大于V2的量程,把它们按图接入电路,则下列说法正确的是:( )![]()
| A.安培表A1的读数大于安培表A2的读数 |
| B.安培表A1的偏转角小于安培表A2的偏转角 |
| C.伏特表V1的读数大于伏特表V2的读数 |
| D.伏特表V1的偏转角小于于伏特表V2的偏转角 |
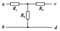
一个T型电路如图所示,电路中的电阻R1=10 Ω,R2=120 Ω,R3=40 Ω.另有一测试电源,电动势为100 V,内阻忽略不计.则( )![]()
| A.当cd端短路时,ab之间的等效电阻是40 Ω |
| B.当ab端短路时,cd之间的等效电阻是40 Ω |
| C.当ab两端接通测试电源时,cd两端的电压为80 V |
| D.当cd两端接通测试电源时,ab两端的电压为80 V |