如图所示,由于某一电阻断路,致使电压表和电流表的示数均比该电阻未断时要大,则这个断路的电阻可能是![]()
| A.R1 | B.R2 | C.R3 | D.R4 |
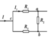
如图所示电路,已知R1=3 kΩ,R2=2 kΩ,R3=1 kΩ,I=10 mA,I1=6 mA,则a、b两点电势高低和通过R2中电流正确的是
| A.a比b高,4 mA |
| B.a比b高,2 mA |
| C.a比b低,7 mA |
| D.a比b低,4mA |
下列关于电流的说法中,正确的是
| A.金属导体中,电流的传播速率就是自由电子定向迁移的速率 |
| B.温度升高时,金属导体中自由电子热运动加快,电流也增大 |
| C.电路接通后,自由电子由电源出发只要经过一个极短的时间就能达到用电器 |
| D.通电金属导体中,自由电子的运动是热运动和定向移动的合运动 |
有一横截面积为S的铜导线,流经其中的电流强度为I,设每单位体积的导线有n个自由电子,电子的电荷量为e,此时电子的定向移动速度为u,在t时间内,通过导线某一横截面积的自由电子数目可表示为
| A.nuSt | B.nut | C.It/e | D.It/Se |
某电解池,如果在1s钟内共有5×1018个二价正离子和1.0×1019个一价负离子通过某截面,那么通过这个截面的电流是 ( )
| A.0A | B.0.8A | C.1.6A | D.3.2A |
关于电流,下列说法中正确的是( )
| A.通过导体截面的电荷量越多,电流越大 |
| B.电子运动速率越大,电流越大 |
| C.单位时间内通过导体横截面的电荷量越多,导体中的电流就越大 |
| D.因为电流有方向,电流是矢量 |
一根粗细均匀、阻值为16Ω的电阻丝,保持温度不变,若先将它等分成4段,每段电阻为R1,再将这4段电阻丝并联,并联后总电阻为R2,则R1与R2的大小依次为( )
| A.1Ω,0.5Ω | B.2Ω,0.5Ω | C.2Ω,1Ω | D.4Ω,1Ω |
在图所示电路中,A、B间的电压保持一定,UAB=6V,电阻R1=R2=4Ω,R3=2Ω。那么( )![]()
| A.开关S断开时,R3两端电压是3V |
| B.开关S接通时,R3通过的电流是1.5A |
| C.开关S断开时,R1通过的电流是0.75A |
| D.开关S接通时,R1两端电压是4V |
某电解池,如果在1s钟内共有5×1018个二价正离子和1.0×1019个一价负离子通过某截面,那么通过这个截面的电流是 ( )
| A.0A | B.0.8A | C.1.6A | D.3.2A |