某同学设计了一个转向灯电路,如图所示,其中L为指示灯,L1、L2分别为左、右转向灯,S为单刀双掷开关,E为电源。当S置于位置1时,以下判断正确的是 ( )![]()
| A.L的功率小于额定功率 |
| B.L1亮,其功率等于额定功率 |
| C.L2亮,其功率等于额定功率 |
| D.含L支路的总功率较另一支路的大 |
在如图所示的电路中,观察三只小灯泡亮度的变化和两只电压表示数的变化情况.如果滑动变阻器的滑片P由a端滑至b端的过程中,电压表
示数变化的绝对值为ΔU1,电压表
示数变化的绝对值为ΔU2,则下列说法正确的是( )![]()
| A.L1、L3变暗,L2变亮 |
| B.L3变暗,L1、L2变亮 |
| C.ΔU1>ΔU2 |
| D.ΔU1<ΔU2 |
如图所示,A、B、C分别表示理想电流表或电压表,灯L1与L2的额定电压相同,灯L1的额定功率大于灯L2的额定功率,当电键S闭合时,L1、L2恰好能正常发光.若A、B、C的示数均不为零,则可判定( )![]()
| A.A、B、C均为电流表 |
| B.A、B、C均为电压表 |
| C.B为电压表,A、C为电流表 |
| D.B为电流表,A、C为电压表 |
电动势为E、内阻为r的电源向可变电阻R供电时,I为输出电流,U为路端电压,P为输出功率。当调节R时,I、U和P都会发生变化,则下列推论正确的是( )![]()
| A.当R增大时,U一定随之增大 | B.当R增大时,P一定随之增大 |
| C.当U增大时,I一定随之增大 | D.I与R一定成反比 |
如图所示,两只定值电阻R1、R2串联后接在输出电压恒为12V的直流电源上.有一只内阻不是远大于R1、R2的电压表,若把电压表接在R1两端,测得电压为8V. 若把这只电压表改接在R2两端时测得的电压是3V,则R1∶R2的值将是![]()
| A.大于8∶3 | B.等于8∶3 |
| C.小于8∶3 | D.以上都有可能 |
在图所示的电路中,电源的内阻不能忽略。已知定值电阻R1=10Ω,R2=8Ω。当单刀双掷开关S置于位置1时,电压表读数为2V。则当S置于位置2时,电压表读数的可能值为 [ ]![]()
| A.2.2V | B.1.9V |
| C.1.6V | D.1.3V |
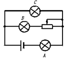
如图所示,L1、L2是两个规格不同的灯泡,当他们如图所示连接时,恰好都能正常发光。设电路两端的电压保持不变,则在将滑动变阻器的滑动头向右移动的过程中,L1和L2两等的亮度变化的情况是![]()
| A.L1亮度不变,L2变暗 |
| B.L1变暗,L2变亮 |
| C.L1变亮,L2变暗 |
| D.L1变暗,L2亮度不变 |