下列关于电源电动势的说法中正确的是( )
| A.在某电池的电路中,每通过2 C的电荷量,电池提供的电能是4 J,那么这个电池的电动势是0.5 V |
| B.电源的路端电压增大时,其电源的电动势一定也增大 |
| C.无论内电压和外电压如何变化,其电源的电动势一定不变 |
| D.电源的电动势越大,电源所能提供的电能就越多 |
关于电源的电动势,下列说法正确的是( )
| A.电源的电动势等于电源两端的电压 |
| B.电源不接入电路时,电源两极间的电压大小等于电动势 |
| C.电动势的国际单位是安培 |
| D.常见的铅蓄电池电动势为1.5V |
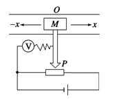
演示位移传感器的工作原理如图所示,物体M在导轨上平移时,带动滑动变阻器的金属滑杆P,通过电压表显示的数据来反映物体位移的大小x.假设电压表是理想电压表,则下列说法正确的是( )
| A.物体M运动时,电源内的电流会发生变化 |
| B.物体M运动时,电压表的示数会发生变化 |
| C.物体M不动时,电路中没有电流 |
| D.物体M不动时,电压表有示数 |
一电流表的满偏电流Ig=1mA,内阻为200Ω。要把它改装成一个量程为0.5A的电流表,则应在电流表上( )
| A.并联一个0.4Ω的电阻 | B.并联一个200Ω的电阻 |
| C.串联一个0.4Ω的电阻 | D.串联一个200Ω的电阻 |
关于电源,下列说法正确的是( )
| A.在电源内部,依靠电场力搬运电荷 |
| B.电源内部存在由负极指向正极的电场 |
| C.电源没有移送电荷时,其电动势为零 |
| D.电源是把其他形式的能转化为电能的装置 |
如图所示的原电池中,在1s的时间内有3 C的正离子向右通过截面XY,同时有2 C的负离子向左通过该截面,则电路中的电流是( )![]()
| A.0安 | B.5安 | C.1安 | D.3安 |
如图所示,R1为定值电阻,R2为负温度系数的热敏电阻,L为小灯泡,当温度降低时( )![]()
| A.R1两端的电压增大 |
| B.电流表的示数增大 |
| C.小灯泡的亮度变强 |
| D.小灯泡的亮度变弱 |