用一个平行板电容器和一个线圈组成LC振荡电路,要增大电路发射电磁波的波长,可采用的办法是( )
| A.增大电容器两极板间的距离 | B.线圈中插入铁芯 |
| C.减小电容器两极板间的正对面积 | D.抽出电容器两极板间的电介质 |
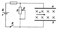
如图所示,电源电动势为E,内阻为r,滑动变阻器电阻为R.开关闭合。两平行金属极板a、b间有垂直纸面向里的匀强磁场,一带正电粒子正好以速度v匀速穿过两板。不计带电粒子的重力,以下说法正确的是( )![]()
| A.保持开关闭合,将滑片p向上滑动一点,粒子将可能从下极板边缘射出 |
| B.保持开关闭合,将滑片p向下滑动一点粒子将可能从下极板边缘射出 |
| C.保持开关闭合,将a极板向下移动一点,粒子将继续沿直线穿出 |
| D.如果将开关断开,粒子将继续沿直线穿出 |
一平行板电容器充电后与电源断开,正极板接地,在两极板间有一正电荷(电量很小)固定在P点,如图所示.以E表示两极板间的场强,U表示电容器的电压,ε表示正电荷在P点的电势能,若保持负极板不动,将正极板移到图中虚线所示的位置,则( )![]()
| A.U变小,E不变 |
| B.E变大,ε变大 |
| C.U变小,ε变大 |
| D.U不变,ε变大 |
如图所示为一测定液面高低的传感器示意图,A为固定的导体芯,B为导体芯外面的一层绝缘物质,C为导电液体,把传感器接到图示电路中,已知灵敏电流表指针偏转方向与电流方向相同。如果发现指针正向右偏转,则导电液体的深度h变化为![]()
| A.h正在增大 | B.h不变 | C.h正在减小 | D.无法确定 |
将平行板电容器两极板之间的距离、电压、电场强度大小和极板所带的电荷量分别用d、U、E和Q表示。下列说法正确的是
| A.保持U不变,将d变为原来的两倍,则E变为原来的一半 |
| B.保持E不变,将d变为原来的一半,则U变为原来的两倍 |
| C.保持d不变,将Q变为原来的两倍,则U变为原来的一半 |
| D.保持d不变,将Q变为原来的一半,则E变为原来的一半 |
平行板电容器的电容
| A.跟两极板间的距离成正比 |
| B.跟充满极板间的介质的介电常数成正比 |
| C.跟两极板的正对面积成正比 |
| D.跟加在两极板间的电压成正比 |
下列哪个方式可以增大平行板电容器的电容?( )
| A.增加电容器极板的带电量 | B.减小电容器极板间的电压 |
| C.增加电容器极板间的距离 | D.减小电容器极板间的距离 |