有一作简谐运动的弹簧振子,周期为2s。如果从弹簧振子向右运动通过平衡位置时开始计时,则在t=3.4s至t=3.5s的过程中,摆球的( )
| A.速度向右在增大,加速度向右在减小 |
| B.速度向左在增大,加速度向左也在增大 |
| C.速度向左在减小,加速度向右在增大 |
| D.速度向右在减小,加速度向左也在减小 |
如图所示,光滑水平面上有一个弹簧振子,平衡位置为O,将小球拉到距离O点L处静止释放,回到平衡位置的时间为0.1s, 若将小球拉到距离O点2L处由静止释放, 回到O点的时间t为 ( )![]()
| A.t=0.1s | B.t= 0.2s | C.t>0.2s | D.0.1S<t<0.2s |
下图中给出某一时刻t的平面简谐波的图象和x="1.0" m处的质元的振动图象,关于这列波的波速v、传播方向和时刻t可能是( )
| A.v=1m/s,t=0s | B.v=1m/s,t="6" s |
| C.t="1s," 波向x轴负方向传播 | D.t="5s," 波向x负方向传播 |
如图所示,光滑水平面上有一个弹簧振子,平衡位置为O,将小球拉到距离O点L处静止释放,回到平衡位置的时间为0.1s, 若将小球拉到距离O点2L处由静止释放, 回到O点的时间t为 ( )
| A.t=0.1s | B.t= 0.2s | C.t>0.2s | D.0.1S<t<0.2s |
一列沿x轴负方向传播的简谐横波,某时刻的波形如图所示.P为介质中的一个质点,从该时刻开始的一小段时间内,P的速度v和加速度a的大小变化情况是![]()
| A.v变小,a变大 | B.v变小,a变小 |
| C.v变大,a变大 | D.v变大,a变小 |
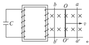
如图所示,一导体棒在匀强磁场中沿金属导轨做简谐运动,OO′为平衡位置,aa′和
分别为离开平衡位置的最大位移处,则 ( )![]()
| A.若金属棒自OO′向aa′运动过程中,电容器上极板带正电 |
| B.若金属棒自bb′向OO′运动过程中,电容器上极板带正电 |
| C.当金属棒通过OO′时,电容器所带电荷量最大 |
| D.当金属棒通过aa′时,电容器所带电荷量最大 |
如图所示,一弹簧振子在A、B间做简谐运动,平衡位置为O,已知振子的质量为M,若振子运动到B处时将一质量为m的物体放到M的上面,m和M无相对运动而一起运动,下列说法正确的是![]()
| A.振幅不变 | B.振幅减小 |
| C.最大速度不变 | D.最大速度减小 |
一弹簧振子做简谐运动,O为平衡位置,当它经过O点时开始计时,经过0.4 s,第一次到达
点,再经过0.2 s第二次到达
点,则弹簧振子的周期为
| A.0.67 s | B.1.67 s | C.2.0 s | D.2.4 s |