如图所示,在双人花样滑冰运动中,有时会看到被男运动员拉着的女运动员离开地面在空中做圆锥摆运动的精彩场面,目测体重为G的女运动员做圆锥摆运动时和水平冰面的夹角约为30°,重力加速度为g,估算该女运动员( )![]()
![]()
| A.受到的拉力为G | B.受到的拉力为2G |
| C.向心加速度为g | D.向心加速度为2g |
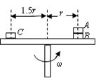
如图所示,两根长度不同的细线分别系有两个小球,细线的上端都系于O点。设法让两个小球在同一水平面上做匀速圆周运动。已知细线长之比为
,L1跟竖直方向成60°角。下列说法中正确的有
| A.两小球做匀速圆周运动的周期必然相等 |
| B.两小球的质量 |
| C.L2跟竖直方向成60°角 |
| D.L2跟竖直方向成45°角 |
甲、乙两物体都在做匀速圆周运动,下列几种情况中,甲物体加速度较大的是
| A.它们的线速度相等,乙的半径小 |
| B.它们的周期相等,甲的半径小 |
| C.它们的角速度相等,乙的线速度小 |
| D.它们的线速度相等,在相同时间内甲与圆心的连线扫过的角度比乙小 |
许多同学都看过杂技演员表演的“水流星”节目,演员将一根细绳系着盛水的杯子,让杯子在竖直平面内做圆周运动,水不从杯里洒出,甚至当杯子运动到最高点时,已经杯口朝下,水也不会从杯子里洒出来。则在演员停止用力转绳时,下列关于其中的一只杯子的说法正确的是( )![]()
| A.受平衡力作用 | B.重力势能保持不变 |
| C.机械能不变 | D.运动状态保持不变 |
如图所示,一静止的质点从弧形槽的A点经最低点B运动到与A等高的C点。从B点运动到C点的过程中,质点所受重力的瞬时功率将![]()
| A.先增大后减小 | B.先减小后增大 |
| C.一直在增大 | D.一直在减小 |
“飞车走壁” 杂技表演比较受青少年的喜爱,这项运动由杂技演员驾驶摩托车,简化后的模型如图所示,表演者沿表演台的侧壁做匀速圆周运动。若表演时杂技演员和摩托车的总质量不变,摩托车与侧壁间沿侧壁倾斜方向的摩擦力恰好为零,轨道平面离地面的高度为H,侧壁倾斜角度α不变,则下列说法中正确的是![]()
| A.摩托车做圆周运动的H越高,向心力越大 |
| B.摩托车做圆周运动的H越高,线速度越大 |
| C.摩托车做圆周运动的H越高,向心力做功越多 |
| D.摩托车对侧壁的压力随高度H变大而减小 |
如图所示,在自行车后轮轮胎上粘附着一块泥巴现将自行车后轮撑起,使后轮离开地面而悬空,然后用手匀速摇脚踏板,使后轮飞速转动,泥巴被甩下来图中四个位置泥巴最容易被甩下来的是( )![]()
| A.a点 | B.b点 |
| C.C点 | D.d点 |