ÌâÄ¿ÄÚÈÝ

½«ÂúÆ«µçÁ÷Ig=300¦ÌA¡¢ÄÚ×èδ֪µÄµçÁ÷±íG¸Ä×°³Éµçѹ±í²¢½øÐÐУ׼£®
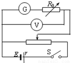
¢ÙÀûÓÃÈçͼËùʾµÄµç·²âÁ¿µçÁ÷±íGµÄÄÚµç×裨ͼÖеçÔ´µÄµç¶¯ÊÆE=4V£©£¬ÏȱպÏS1£¬µ÷½ÚR£¬Ê¹µçÁ÷±íÖ¸ÕëÆ«×ªµ½Âú¶È£»ÔÙ±ÕºÏS2£¬±£³ÖR²»±ä£¬µ÷½ÚR¡ä£¬Ê¹µçÁ÷±íÖ¸ÕëÆ«×ªµ½Âú¶ÈµÄ£¬¶Á³ö´ËʱR¡äµÄµç×èֵΪ450¦¸£¬ÔòµçÁ÷±íÄÚµç×èµÄ²âÁ¿ÖµRg=    ¦¸£®
¢Ú½«¸Ã±í¸Ä×°³ÉÁ¿³ÌΪ3VµÄµçѹ±í£¬Ðè    £¨Ìî¡°´®Áª¡±»ò¡°²¢Áª¡±£©×èֵΪR=    ¦¸µÄµç×裮
¢Û°Ñ¸Ä×°ºÃµÄµçѹ±íÓë±ê×¼µçѹ±í½øÐжÔÕÕУ׼£¬ÊÔÔÚ´ð¾íÖжÔÓ¦µÄÐéÏß¿òÖл­³öʵÑéÔ­Àíͼ£®
¡¾´ð°¸¡¿·ÖÎö£º¢ÙÒò²¢ÁªR¡äºó×ܵç×è±ä»¯ºÜС£¬¿ÉÈÏΪ²»±ä£»´Ó¶øµÃ³öͨ¹ýR¡äÓëµçÁ÷±íµÄµçÁ÷´óС¹ØÏµ£¬½ø¶øÇóµÃRgµÄ×èÖµ£®
¢Ú¸Ä×°³Éµçѹ±íÒª´®ÁªµÄµç×è×èֵΪ£ºR=£¬UΪÁ¿³Ì£®
¢Û½Ï×¼µçѹ±íÒª½«±ê×¼µçѹ±íÓë´ý½Ï×¼µçѹ±í²¢Áª£¬²¢¶à´Î¸Ä±äµçѹ½øÐнÏ×¼£®
½â´ð£º½â£º¢Ù²¢ÁªR¡äºó×ܵç×èÈÏΪ²»±ä£¬Ôò×ܵçÁ÷²»±ä£¬Ôòͨ¹ýR¡äµÄµçÁ÷Ϊ×ܵçÁ÷µÄ£¬¹Ê
IR¡ä£ºIG=1£º3
ÒòÊDz¢Áª¹ØÏµ£º   
 ÔòRg==150¦¸
¢Ú¸Ä×°³Éµçѹ±íÓ¦´®Áªµç×èΪ£º
R===9850¦¸
¢Û½Ï×¼µçѹ±í£¬ÒªÓëÒ»±ê×¼µçѹ±í²¢Áª£¬²¢¶à¸Ä±äµçѹֵ£¬Òª±ä»¯·¶Î§´ó£¬Ôò½ÓÈ뻬¶¯±ä×èÆ÷Ó÷Öѹʽ½Ó·¨£¬ÈçͼËùʾ£®             
¹Ê´ð°¸Îª£º¢Ù150 ¢Ú´®Áª  9850  ¢ÛʵÑéµç·Èçͼ£®
µãÆÀ£º¿¼²éµÄÊǵç±íµÄ¸Ä×°Ô­Àí£¬Ã÷È·²¢Áª·ÖÁ÷£¬´®Áª·ÖѹµÄµÀÀí£¬Òª¸ù¾ÝʵÑéÒªÇóÉè¼Æµç·£®
Á·Ï°²áϵÁдð°¸
Ïà¹ØÌâÄ¿
£¨2009?ÄÏͨ¶þÄ££©Ä³Í¬Ñ§½«Í­Æ¬ºÍпƬ²åÈëË®¹ûÖÐÖÆ³ÉÒ»¸ö¡°Ë®¹ûµç³Ø¡±£¬¸ÃͬѧÀûÓÃÏÂÁÐËù¸øÆ÷²Ä²âÁ¿Ë®¹ûµç³ØµÄµç¶¯ÊÆEºÍÄÚ×èr£®
A£®µçÁ÷±íG1£¨ÄÚ×èRg=15¦¸£¬ÂúÆ«µçÁ÷Ig=2mA£©
B£®µçÁ÷±íG2£¨Á¿³Ì20mA£¬ÄÚ×èÔ¼2¦¸£©
C£®»¬¶¯±ä×èÆ÷R1£¨0¡«1000¦¸£©
D£®µç×èÏäR2 £¨0¡«9999.9¦¸£©
E£®´ý²âË®¹ûµç³Ø£¨µç¶¯ÊÆEÔ¼4V£¬ÄÚ×èrÔ¼200¦¸£©
F£®¿ª¹ØS£¬µ¼ÏßÈô¸É
£¨1£©ÊµÑéÖÐÓõçÁ÷±íG1¸Ä×°³ÉÁ¿³Ì0¡«4VµÄµçѹ±í£¬Ðè
´®Áª
´®Áª
£¨Ñ¡Ìî¡°´®Áª¡±»ò¡°²¢Áª¡±£©Ò»¸ö×èֵΪ
1985
1985
¦¸µÄµç×裻
£¨2£©ÓõçÁ÷±íG2ºÍ¸Ä×°³ÉµÄµçѹ±í²âÁ¿Ë®¹ûµç³ØµÄµç¶¯ÊƺÍÄÚ×裬Ϊ¾¡Á¿¼õСʵÑéµÄÎó²î£¬ÇëÔÚ·½¿òÖл­³öʵÑéµç·ͼ£»

£¨3£©¸ÃͬѧʵÑéÖмǼµÄ6×é¶ÔÓ¦µÄÊý¾ÝÈçÏÂ±í£¬ÊÔ¸ù¾Ý±íÖÐÊý¾ÝÔÚÏÂͼÖÐÃèµã»­³öU-IͼÏߣ»ÓÉͼÏ߿ɵã¬Ë®¹ûµç³ØµÄµç¶¯ÊÆE=
3.80
3.80
V£¬ÄÚµç×èr=
190
190
¦¸£»
I/mA 4.0 5.0 8.0 10.0 12.0 14.0
U/V 3.04 2.85 2.30 1.90 1.50 1.14
£¨4£©ÊµÑé²âµÃµÄË®¹ûµç³ØµÄµç¶¯ÊƺÍÄÚ×èÓëÕæÊµÖµÏà±È£¬E²â
µÈÓÚ
µÈÓÚ
EÕæ£¬r²â
´óÓÚ
´óÓÚ
rÕæ£¨Ñ¡Ìî¡°´óÓÚ¡±¡¢¡°Ð¡ÓÚ¡±»ò¡°µÈÓÚ¡±£©£®

Î¥·¨ºÍ²»Á¼ÐÅÏ¢¾Ù±¨µç»°£º027-86699610 ¾Ù±¨ÓÊÏ䣺58377363@163.com

¾«Ó¢¼Ò½ÌÍø