题目内容

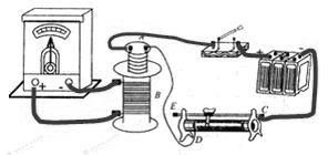
在研究电磁感应现象的实验中所用的器材如图所示。它们是:①电流计、②直流电源、③带铁芯的线圈A、④线圈B、⑤电键、⑥滑动变阻器(用来控制电流以改变磁场强弱)。

(1) 试按实验的要求在实物图上连线(图中已连好一根导线)。
(2) 若连接滑动变阻器的两根导线接在接线柱C和D上,而在电键刚闭合时电流表指针右偏,则电键闭合后滑动变阻器的滑动触头向接线柱C移动时,电流计指针将__________(填“左偏”、“右偏”、“不偏”)。

(1)实物图上连线如图所示;(2)左偏。

解析试题解析:(1)由于图中已经将一根导线连接在了电路中,说明线圈A接电源、开关和变阻器,线圈B接电流表,实物电路如上图所示。
(2)由于在电键刚闭合时电流表指针右偏,说明线圈A中的磁场在增大,故线圈B产生的磁场与A产生的磁场会相反;而当电键闭合后滑动变阻器的滑动触头向接线柱C移动时,电阻变大,电流变小,A的磁场变小,故线圈B会产生与A相同方向的磁场以阻碍这种减小,故此时B中产生的感应电流与原来相反,故电流表指针的偏转方向也相反,电流表指针向左偏。
考点:研究电磁感应现象的实验。

练习册系列答案
相关题目

违法和不良信息举报电话:027-86699610 举报邮箱:58377363@163.com

精英家教网