题目内容

某发电厂发电机的输出功率P=100 kW,发电机端电压U=250 V,向远处送电的输电线的总电阻R=8 Ω.要使输电线上的功率损失不超过输送功率的5%,用户得到的电压又正好是220 V.

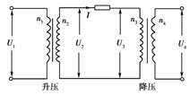
(1)应该怎样安装变压器?画出输电线路的示意图;

(2)求出所用的变压器的原、副线圈的匝数比.

 【解析】 (1)只要安装一台升压变压器和一台降压变压器,输电线路示意图如图所示.(2分)

    (2)按题意,P=5%P=0.05×100×103 W=5×103 W,设输电线路中的电流为I,则PI2R.

I A=25 A     (1分)

输送电压U2 V=4 000 V   (1分)

发电机输出的电压U1U=250 V

升压变压器的匝数比(1分)

输电线路上损失的电压UIR=25×8 V=200 V(1分)

降压变压器原线圈n3两端的电压为

U3U2U=4 000 V-200 V=3 800 V(1分)

用户在副线圈n4两端得到电压U4=220 V(1分)

所以降压变压器的匝数比(1分)

即升压变压器原、副线圈的匝数比为1∶16,降压变压器原、副线圈的匝数比为190∶11.

练习册系列答案
相关题目

违法和不良信息举报电话:027-86699610 举报邮箱:58377363@163.com

精英家教网